EasyManua.ls Logo

GE RSTi-EP - Page 18

GE RSTi-EP
76 pages
To Next Page IconTo Next Page
To Next Page IconTo Next Page
To Previous Page IconTo Previous Page
To Previous Page IconTo Previous Page
Loading...
Chapter3. Configuration
14 RSTi-EP Functional Safety Manual GFK-2956A
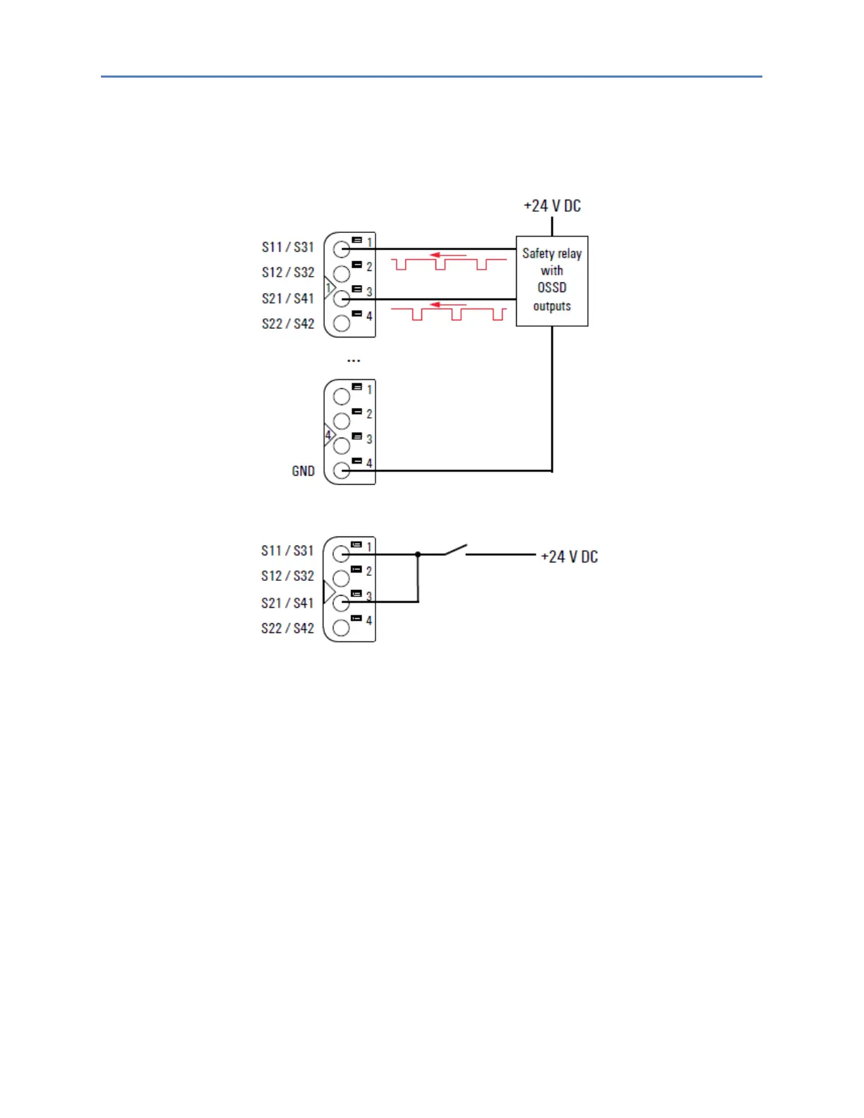
The safe power-feed module EP-1922 might also be operated without test pulses. This is mandatory
whenever an external device producing own test pulses is connected.
Test pulses can be enabled or disabled using the DIP-switches at the module.
Example of Operation without Test Pulses

Table of Contents

Other manuals for GE RSTi-EP

Related product manuals