EasyManua.ls Logo

Gilera 633721 - Page 364

Gilera 633721
407 pages
Print Icon
To Next Page IconTo Next Page
To Next Page IconTo Next Page
To Previous Page IconTo Previous Page
To Previous Page IconTo Previous Page
Loading...
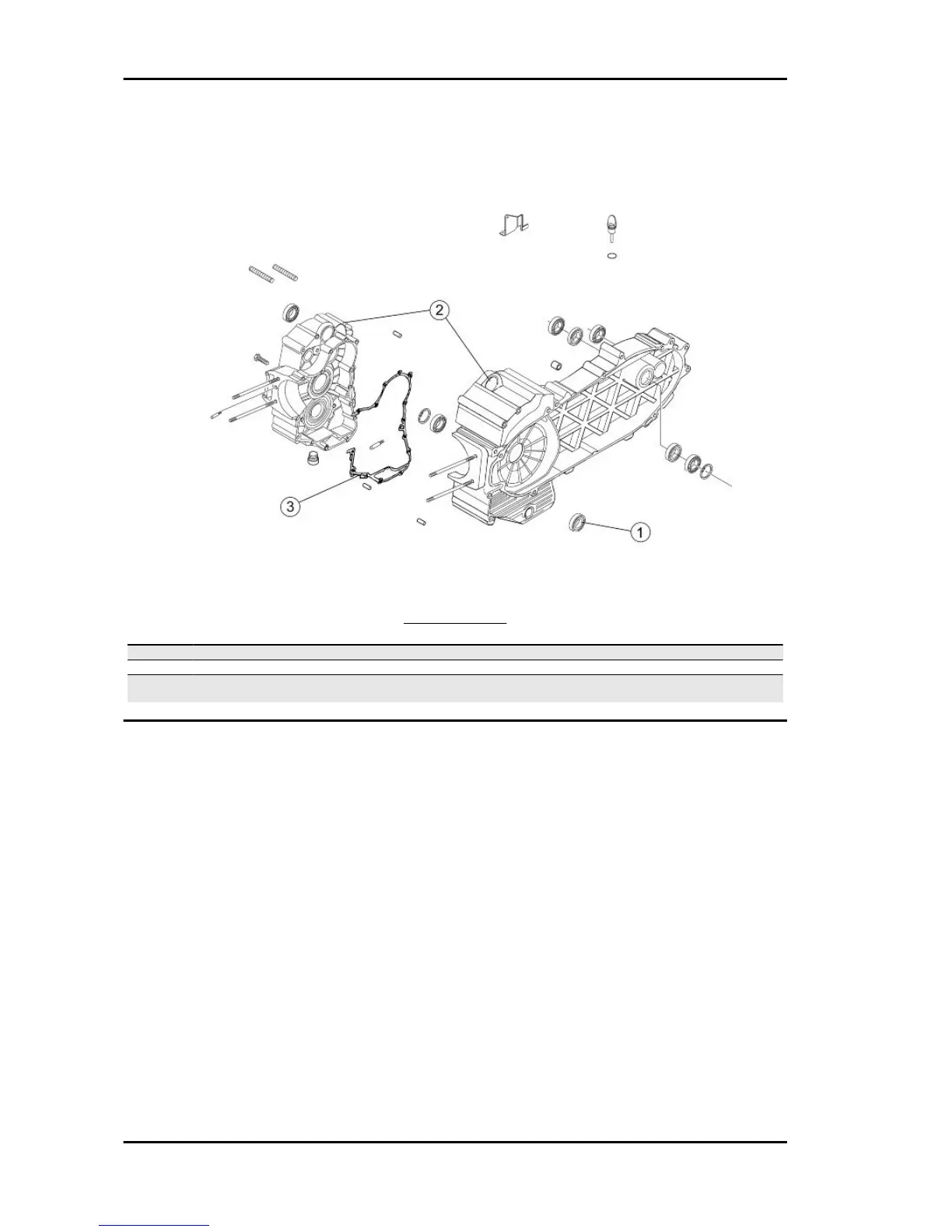
Crankcase
CRANKCASE
Code
Action Duration
1 001100 Oil seal, clutch side - Replacement
2 001133 Engine crankcase- Replacement
3 001153 Crankcase half gasket - Replace-
ment
Time Nexus 500 euro 3
TIME - 364

Table of Contents

Related product manuals