EasyManua.ls Logo

GLOW T180 - Page 31

GLOW T180
86 pages
Print Icon
To Next Page IconTo Next Page
To Next Page IconTo Next Page
To Previous Page IconTo Previous Page
To Previous Page IconTo Previous Page
Loading...
Glow T180
Tankless Condensing Water Heater
31
Must be
installed
Domestic
water supply
Anti-scald
mixing valve
Hot Water Outlets
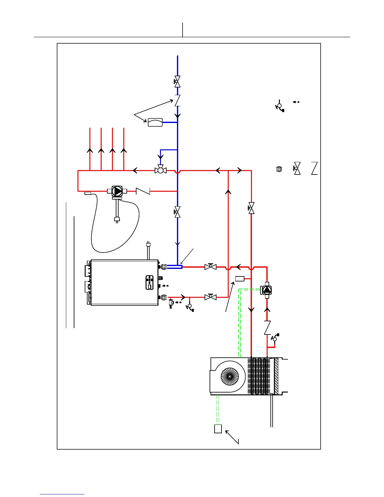
Glow T180 Water Heater with Airmax Fan Coil
Airmax
Air Handler (c/w pump timer for potable water flush)
T
Conductors to
suit stat choice
120/ 1 /60
Expansion tank required if
check valve used if
domestic water supply
(as per local codes)
Air Vent
at Highest
Point
PRV valve
Three Speed Pump
Glow T180 Water Heater
(Suitable for combination
water (potable) heating
and space heating and
not suitable for space
heating only)
inletoutlet
gas
120/ 1 /60
120/ 1 /60
Aquastat, Part # GLO-180-80
Recirculation With Dedicated Return Line
Recirculation Pump,
Part # 140-003
Figure 3.10
Pipe to drain
Ball Valve
Check Valve
Hose Bib
Union
One size larger
diameter