EasyManua.ls Logo

Graco 17R236 - Parts

Graco 17R236
36 pages
Print Icon
To Next Page IconTo Next Page
To Next Page IconTo Next Page
To Previous Page IconTo Previous Page
To Previous Page IconTo Previous Page
Loading...
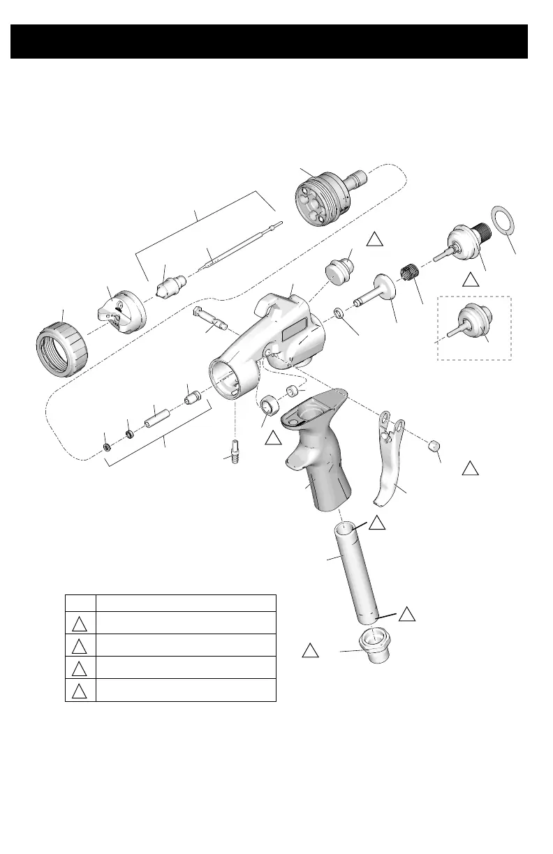
Parts
28 3A5097C
Parts
EDGE II
10
1
2
12
19
16a
16b
32
17
14
13
23
24
25
11
7
3
8
8a
8b
8c
8d
41
15
44a
44
46b
9
ti31145a
Ref. Torque
60-80 in-lb (6.8 - 9.0 N•m)
140-150 in-lb (15.8 - 16.9 N•m)
20-30 in-lb (2.3 - 3.4 N•m)
Apply adhesive, Ref. 50
1
2
3
4
1
3
4
2
1
4
2

Related product manuals