EasyManua.ls Logo

Graco 232-504 - Changing the Orientation of the Fluid Inlet and Outlet Ports; Fluid Pressure Relief Valve

Graco 232-504
32 pages
Print Icon
To Next Page IconTo Next Page
To Next Page IconTo Next Page
To Previous Page IconTo Previous Page
To Previous Page IconTo Previous Page
Loading...
308-550 9
Installation
Changing the Orientation of the Fluid Inlet
and Outlet Ports
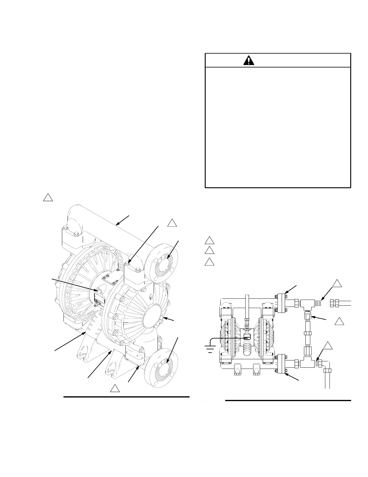
The
pump is shipped with the fluid inlet (R) and outlet
(S) ports facing the same direction. See Fig. 4. T
o
change the orientation of the inlet and/or outlet port:
1.
Remove the screws (106 and 1
12) holding the inlet
(102) and/or outlet (103) manifold to the covers
(101).
2.
Reverse the manifold and reattach. Install the
screws and torque to 80–90 in–lb (9–10 N.m).
04613
Fig. 4
1
Torque
to 80–90 in-lb (9–10 N.m).
KEY
N
1/2 npt(f) air inlet port
P Muffler
Air exhaust port is 3/4
npt(f) .
R
2” fluid inlet flange
S
2” fluid outlet flange
101
Fluid covers
102
Fluid inlet manifold
103
Fluid outlet manifold
106
Fluid outlet manifold
screws (top)
112
Fluid inlet manifold
screws (bottom)
N
P
R
S
1
103
102
101
1
106
112
Fluid Pressure Relief Valve
Some
systems may require installation of a pres
-
sure relief valve at the pump outlet to prevent
overpressurization and rupture of the pump or
hose. See Fig. 5.
Thermal expansion of fluid in the outlet line can
cause overpressurization. This can occur when
using long fluid lines exposed to sunlight or ambi
-
ent heat, or when pumping from a cool to a warm
area (for example, from an underground tank).
Overpressurization can also occur if the Husky
pump is being used to feed fluid to a piston pump,
and the intake valve of the piston pump does not
close, causing fluid to back up in the outlet line.
CAUTION
04616
Fig. 5
1
2
Connect
fluid inlet line here.
KEY
R
2” fluid inlet flange
S
2” fluid outlet flange
V
Pressure relief valve
Part No. 1
10–134 (aluminum)
Part No. 1
12–1
19 (stainless steel)
R
S
Connect fluid outlet line here.
1
2
3
Install valve between fluid inlet and outlet ports.
V
3

Related product manuals