EasyManua.ls Logo

Graco Husky 1040 - Service: Ball Check Valve Repair; Ball Check Valve Disassembly Steps; Ball Check Valve Tools and Safety

Graco Husky 1040
36 pages
Print Icon
To Next Page IconTo Next Page
To Next Page IconTo Next Page
To Previous Page IconTo Previous Page
To Previous Page IconTo Previous Page
Loading...
18 308443
Service
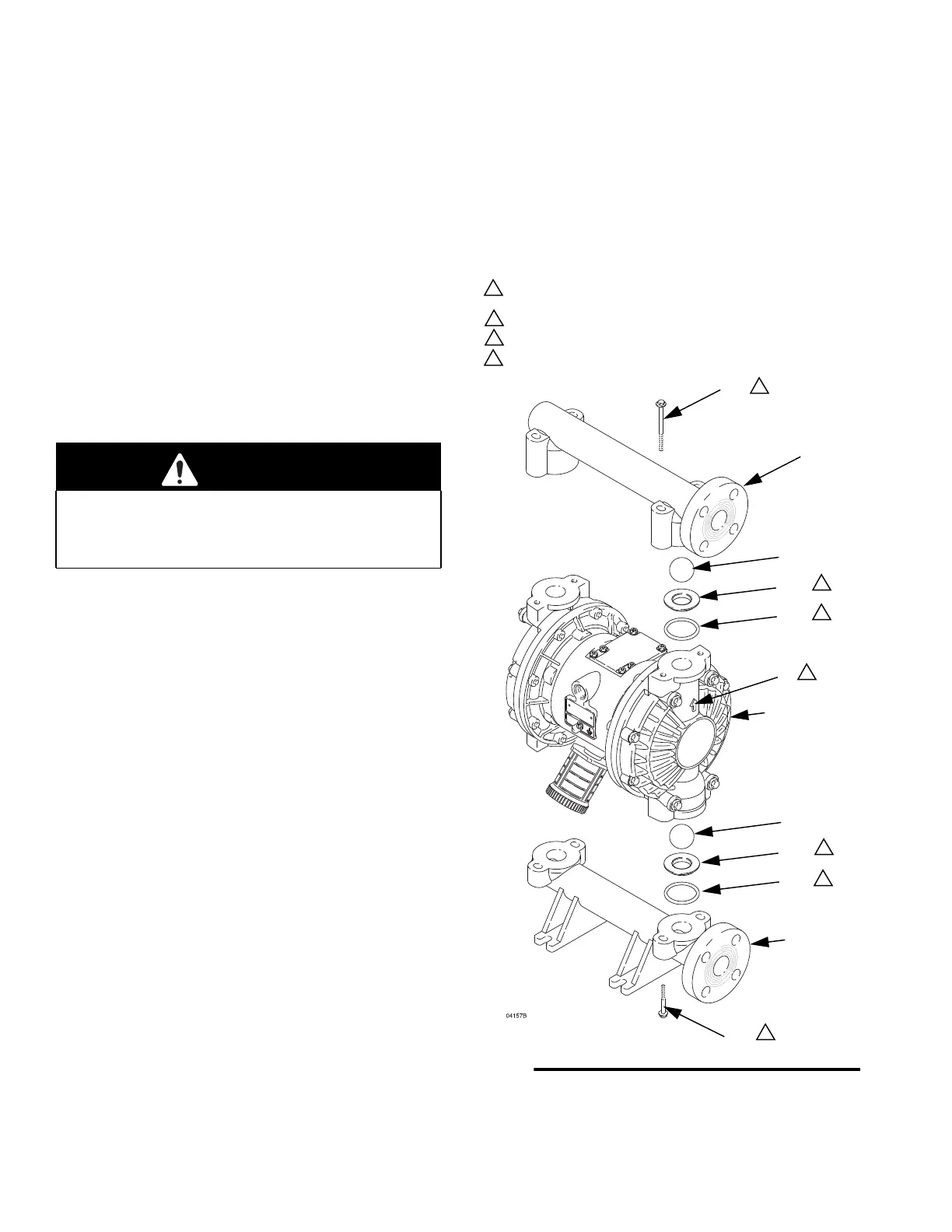
Ball Check Valve Repair
Tools Required
Torque wrench
10 mm socket wrench
O-ring pick
Disassembly
NOTE: A Fluid Section Repair Kit is available. Refer to
page 27 to order the correct kit for your pump. Parts
included in the kit are marked with an asterisk, for
example (201*). Use all the parts in the kit for the best
results.
NOTE: To ensure proper seating of the balls (301),
always replace the seats (201) when replacing the balls.
WARNING
1. Relieve the pressure. Disconnect all hoses.
2. Remove the pump from its mounting.
3. Using a 10 mm socket wrench, remove the four
bolts (106) holding the outlet manifold (103) to the
fluid covers (101). See Fig. 11.
4. Remove the seats (201), balls (301), and o-rings
(202) from the manifold.
NOTE: Some models use two o-rings (202), some
models use four o-rings (202), and some models do not
use o-rings.
5. Turn the pump over and remove the inlet manifold
(102). Remove the seats (201), balls (301) and
o-rings (202) from the fluid covers (101).
Reassembly
1. Clean all parts and inspect for wear or damage.
Replace parts as needed.
2. Reassemble in the reverse order, following all notes
in Fig. 11. Be sure the ball checks exactly as
shown. The arrows (A) on the fluid covers (101)
must point toward the outlet manifold (103).
Torque to 80 to 90 in-lb (9–10 N-m). See Torque Sequence,
page 32.
Arrow (A) must point toward outlet manifold (103).
Beveled seating surface must face the ball (301).
Not used on some models.
1
2
3
4
106
103
301*
1
201*
202*
A
301*
201*
202*
101
102
112
4
3
2
4
3
1
Fig. 11
To reduce the risk of serious injury whenever you are
instructed to relieve pressure, always follow the
Pressure Relief Procedure on page 12.

Related product manuals