EasyManua.ls Logo

Graco XM Series - Batch Dispense Test Confirmation; Down Stream Valve Leak Test

Graco XM Series
106 pages
Print Icon
To Next Page IconTo Next Page
To Next Page IconTo Next Page
To Previous Page IconTo Previous Page
To Previous Page IconTo Previous Page
Loading...
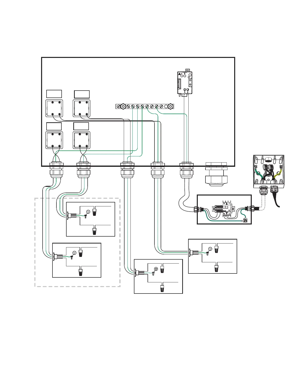
Junction Box Wiring Schematics
313289W 55
Non-Hazardous Location 480V Electric Heated Hose
FLUID HEATER B
FLUID HEATER A
HOPPER HEATER B
HOPPER HEATER A
BLACK
BLACK
GREEN
WHITE
WHITE
BLACK
BLACK
GREEN
WHITE
WHITE
BLACK
GREEN
WHITE
WHITE
BLACK
GREEN
WHITE
WHITE
WHITE
WHITE
ACCESSORIES
Transformer
SW4
SW2
SW1
SW3
1
2
3
4
FLUID
HEATER B
1
2
3
4
FLUID
HEATER A
1
2
3
4
HOPPER
HEATER A
1
2
3
4
HOPPER
HEATER B
Junction box:
26C904
WLD
Electric Heated
Hose Splice Box

Table of Contents

Other manuals for Graco XM Series

Related product manuals