EasyManua.ls Logo

Gradall D152 - Safety Decals; Decal Locations

Default Icon
98 pages
Print Icon
To Next Page IconTo Next Page
To Next Page IconTo Next Page
To Previous Page IconTo Previous Page
To Previous Page IconTo Previous Page
Loading...
Section 2 - Pre-Operation and Controls
2-582104002
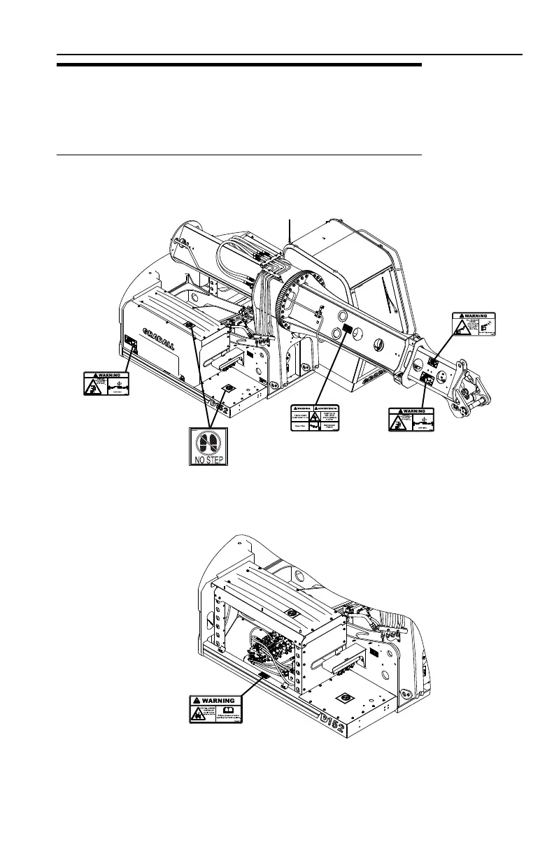
2.3 SAFETY DECALS
Ensure all DANGER, WARNING, CAUTION and instructional decals and proper
capacity charts are legible and in place. Clean and replace as required.
Decal Locations
80509015
80373077
80509013
80509015
80509018
80509016

Table of Contents

Related product manuals