EasyManua.ls Logo

Gradall D152 - Page 31

Default Icon
98 pages
Print Icon
To Next Page IconTo Next Page
To Next Page IconTo Next Page
To Previous Page IconTo Previous Page
To Previous Page IconTo Previous Page
Loading...
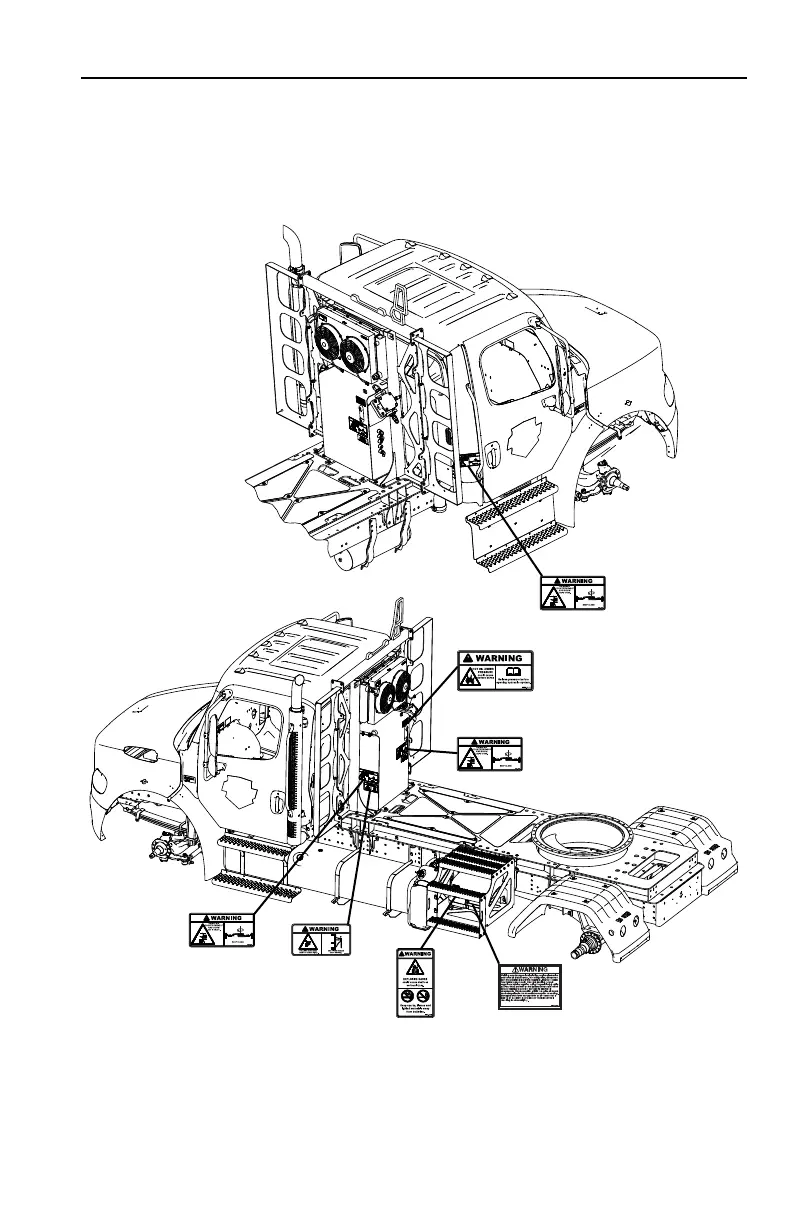
Section 2 - Pre-Operation and Controls
2-782104002
80509016
80509015
80509015
80783208
80509004
80509012
80509015

Table of Contents

Related product manuals