EasyManua.ls Logo

GRAPHTEC FC9000-160 - Page 387

GRAPHTEC FC9000-160
402 pages
Print Icon
To Next Page IconTo Next Page
To Next Page IconTo Next Page
To Previous Page IconTo Previous Page
To Previous Page IconTo Previous Page
Loading...
A-7
[PAUSE/MENU] [2]
Continued
[1]
[2]
[3]
[1]
[2]
[3]
[4]
[1]
[2]
[3]
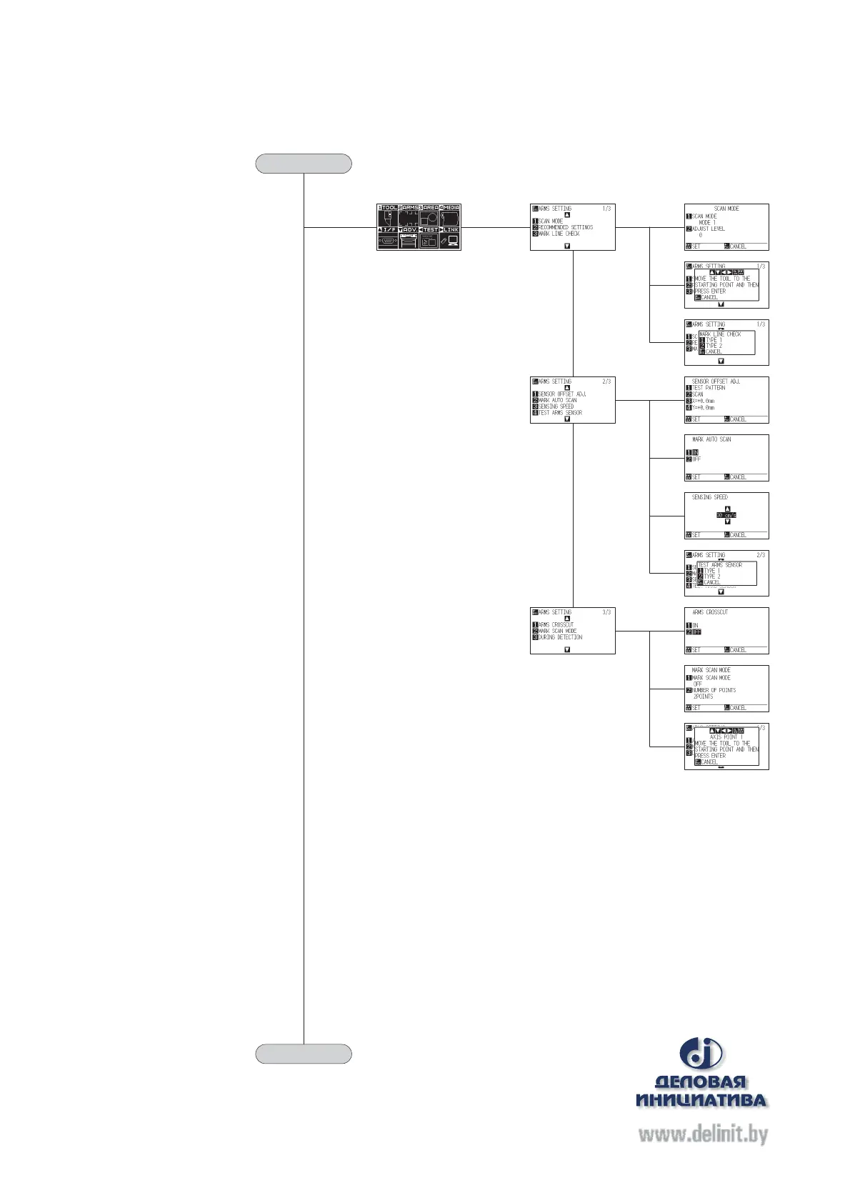
MENU screen ARMS SETTING (1/3)
ARMS SETTING (2/3)
ARMS SETTING (3/3)
Default screen
(Continued)
www.delinit.by

Table of Contents

Other manuals for GRAPHTEC FC9000-160

Related product manuals