EasyManua.ls Logo

Gree GMV-N22G/A3A-K

Gree GMV-N22G/A3A-K
276 pages
To Next Page IconTo Next Page
To Next Page IconTo Next Page
To Previous Page IconTo Previous Page
To Previous Page IconTo Previous Page
Loading...
GREE GMV5 INDOOR UNIT SERVICE MANUAL
145
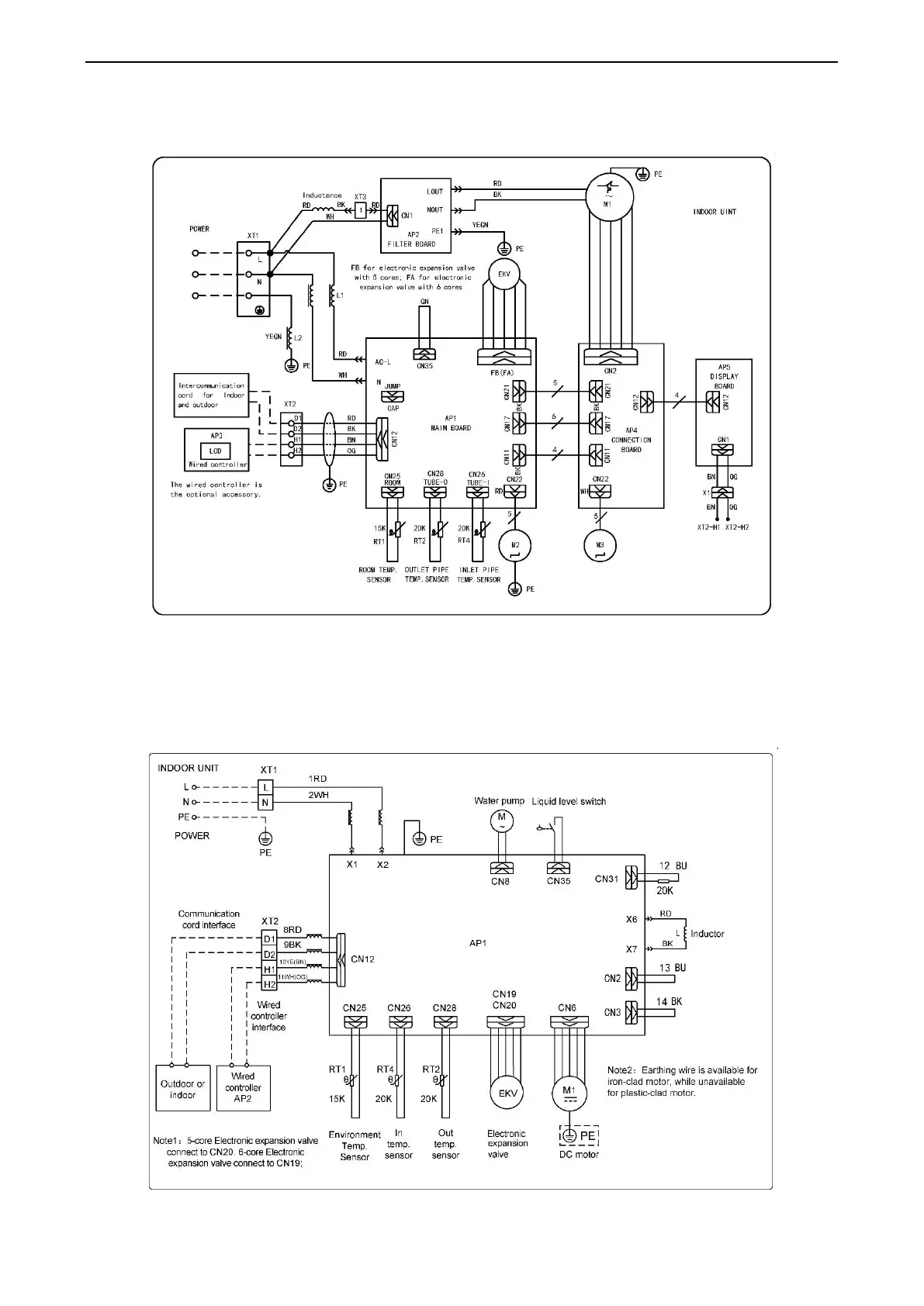
3.1 Floor Standing Type
GMV-ND100L/A-T, GMV-ND140L/A-T
3.2 High Static Pressure Duct Type
GMV-ND56PHS/A-T, GMV-ND63PHS/A-T, GMV-ND71PHS/A-T, GMV-ND80PHS/A-T,
GMV-ND90PHS/A-T, GMV-ND100PHS/A-T, GMV-ND112PHS/A-T, GMV-ND125PHS/A-T,
GMV-ND140PHS/A-T:

Table of Contents

Other manuals for Gree GMV-N22G/A3A-K

Related product manuals