EasyManua.ls Logo

Gree GMV-N22G/A3A-K

Gree GMV-N22G/A3A-K
276 pages
To Next Page IconTo Next Page
To Next Page IconTo Next Page
To Previous Page IconTo Previous Page
To Previous Page IconTo Previous Page
Loading...
GREE GMV5 INDOOR UNIT SERVICE MANUAL
159
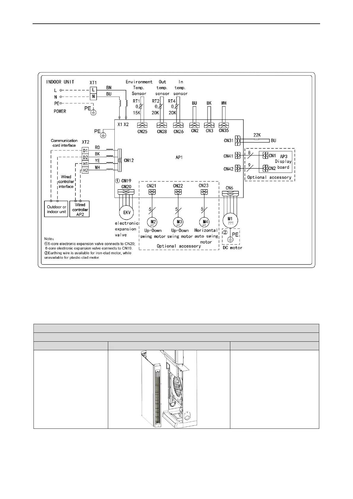
3.16 Concealed Floor Standing Type
GMV-ND22ZA/A-T, GMV-ND28ZA/A-T, GMV-ND36ZA/A-T, GMV-ND45ZA/A-T, GMV-ND56ZA/A-T
GMV-ND63ZA/A-T, GMV-ND71ZA/A-T
4 Disassembly And Assembly Procedure
Of Main Parts
4.1 Floor Standing Type
Removal and Assembly of electric box
Remarks: Before removing the electric box, make sure to cut off the power firstly.
Step
Illustration
Handling Instruction
1. Loosen the buckles on
both sides of the bottom
panel.
Cut off the power supply of indoor
unit. Loosen the buckles on both
sides of the bottom panel.

Table of Contents

Other manuals for Gree GMV-N22G/A3A-K

Related product manuals