EasyManua.ls Logo

Gree GMV-N22G/A3A-K

Gree GMV-N22G/A3A-K
276 pages
To Next Page IconTo Next Page
To Next Page IconTo Next Page
To Previous Page IconTo Previous Page
To Previous Page IconTo Previous Page
Loading...
GREE GMV5 INDOOR UNIT SERVICE MANUAL
153
GMV-NX450P/A(X4.0)-M:
GMV-NDX125P/A-T, GMV-NDX140P/A-T
1 2 3 4 5
E
D
C
B
A
F
6 7
8
S
17
201
202
22
24
29
361
43
44
46
47
48
49
50
51
55
62
79
61
A
B
C
D
E
F
1 2 3 4 5 6 7 8
GMV-NDX140P_A-T
PET
11
2016/11/23
600007001188
VNDX140PAT.XL
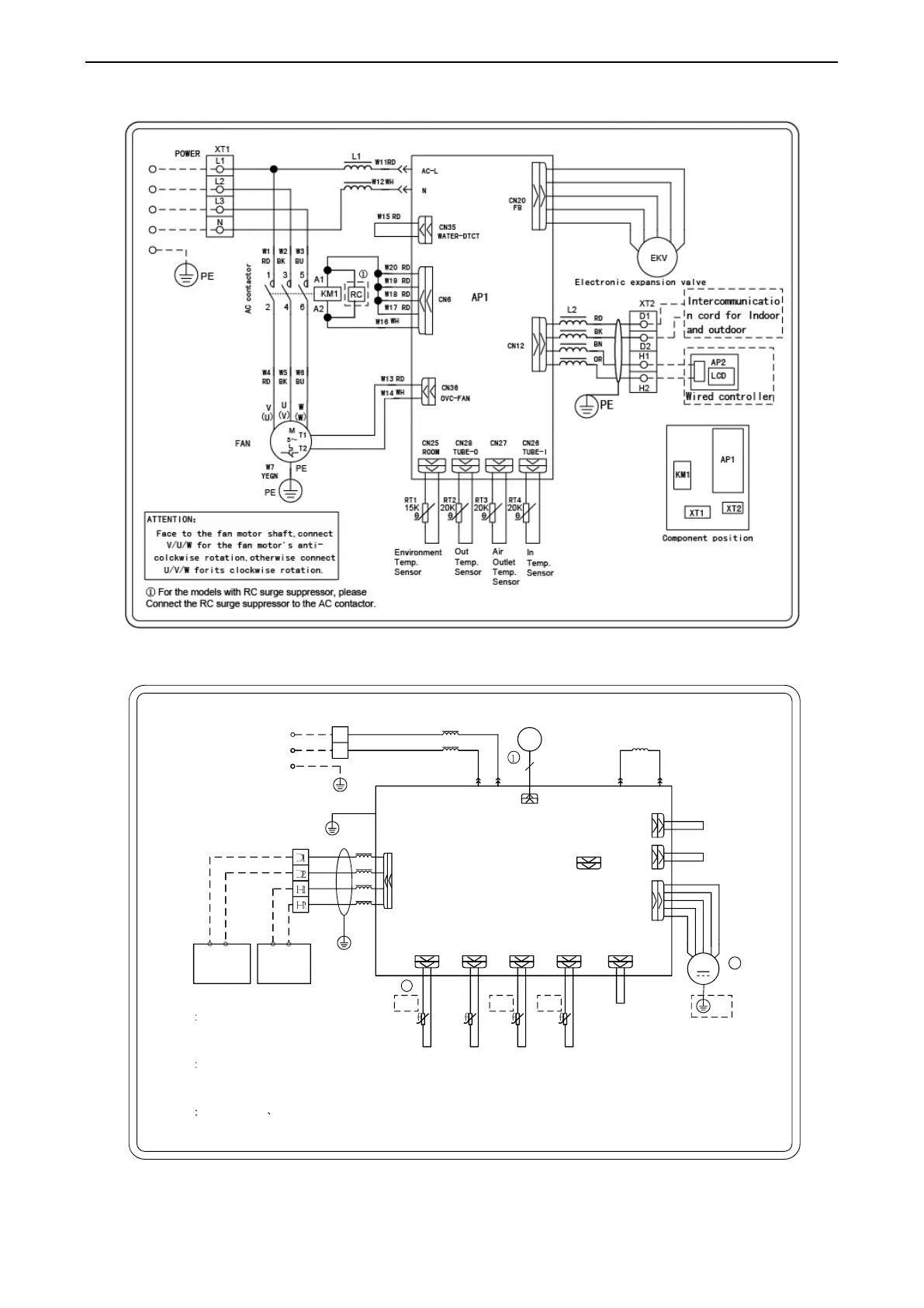
AP1
CN25 CN26
CN35
15K 20K
CN28
20K
RD
BK
YE
WH
XT2
CN2
CN3
BU
BK
CN12
PE
X3
CN6
PE
M
PE
YEGN
EKV
CN19
CN20
JUMP
CAP
X6 X7
RD BK
RT4
2
RT1 RT2
3
L2
L2
L2
L2
X1X2
N
N
XT1
BU
L
L
RD
PE
PE
L
Note1 5-core Electronic expansion
valve connect to CN20; 6-core electronic
expansion valve connect to CN19.
Note3 Marks RT1 RT2 and RT3 for temperature
sensor are only available for some units.
L1
L1
Environment
temp.
sensor
Out
temp.
sensor
In
temp.
sensor
Electronic
expansion
valve
Note2 Earthing wire is available
for iron-clad Motor, while unavailable for
plastic-clad motor.
Motor
Inductor
POWER
INDOOR UNIT
Outdoor or
indoor
Wired
controller
AP2
Communication
cord interface
Wired
controller
interface
CN27
20K
Air
outlet
temp.
sensor
RT3
GN

Table of Contents

Other manuals for Gree GMV-N22G/A3A-K

Related product manuals