EasyManua.ls Logo

GRIGGIO GF 21 - Page 43

GRIGGIO GF 21
56 pages
Print Icon
To Next Page IconTo Next Page
To Next Page IconTo Next Page
To Previous Page IconTo Previous Page
To Previous Page IconTo Previous Page
Loading...
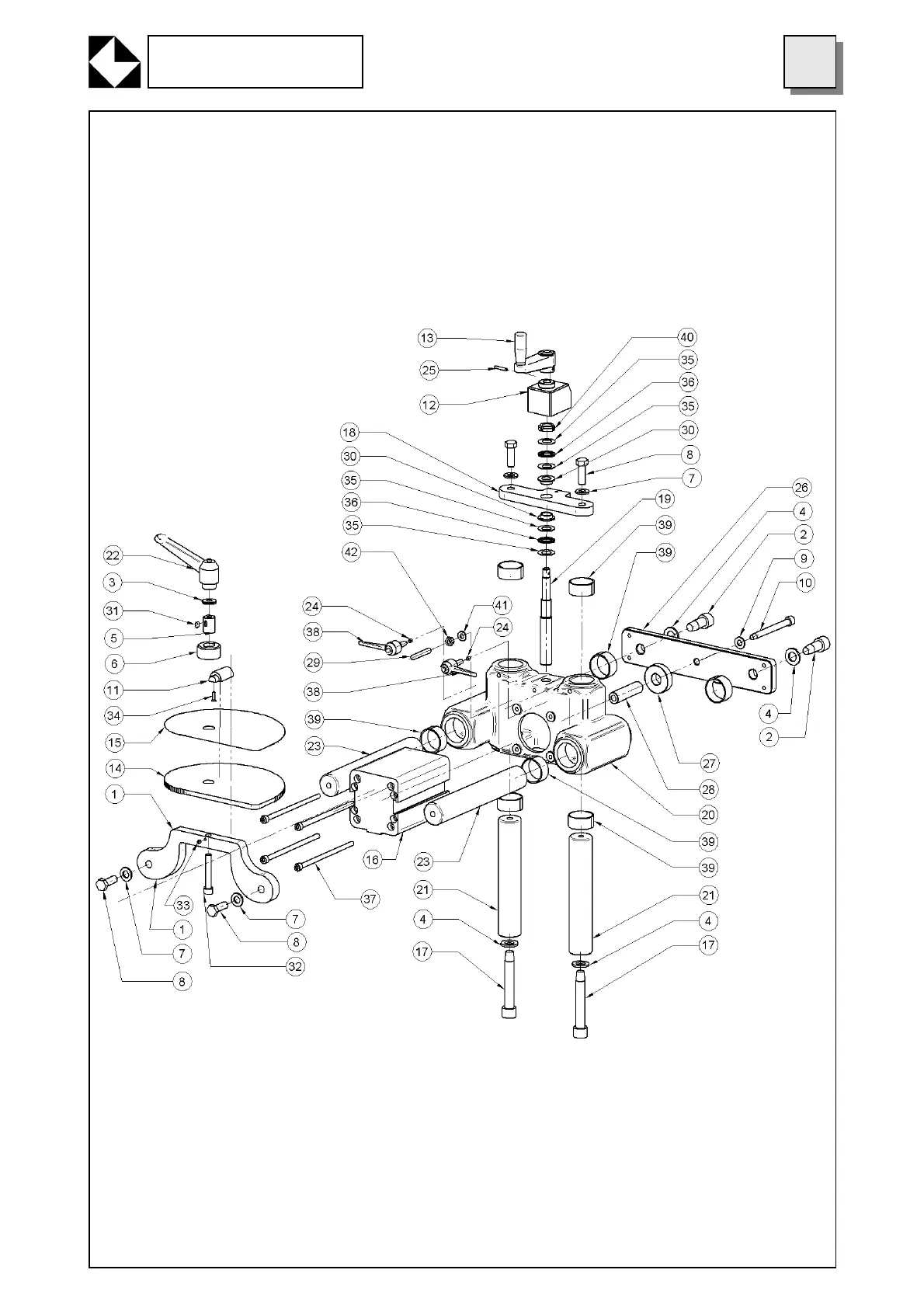
TABLE 5 SPINDLES UNIT
39
GRIGGIO S.p.A.
WOODWORKING MACHINERY

Table of Contents

Related product manuals