EasyManua.ls Logo

Grizzly G0768 - G0769 Wiring Diagram

Grizzly G0768
120 pages
Print Icon
To Next Page IconTo Next Page
To Next Page IconTo Next Page
To Previous Page IconTo Previous Page
To Previous Page IconTo Previous Page
Loading...
G0768/G0769 Update (Mfd. Since 2/17)
-3-
READ ELECTRICAL SAFETY
ON PAGE 42!
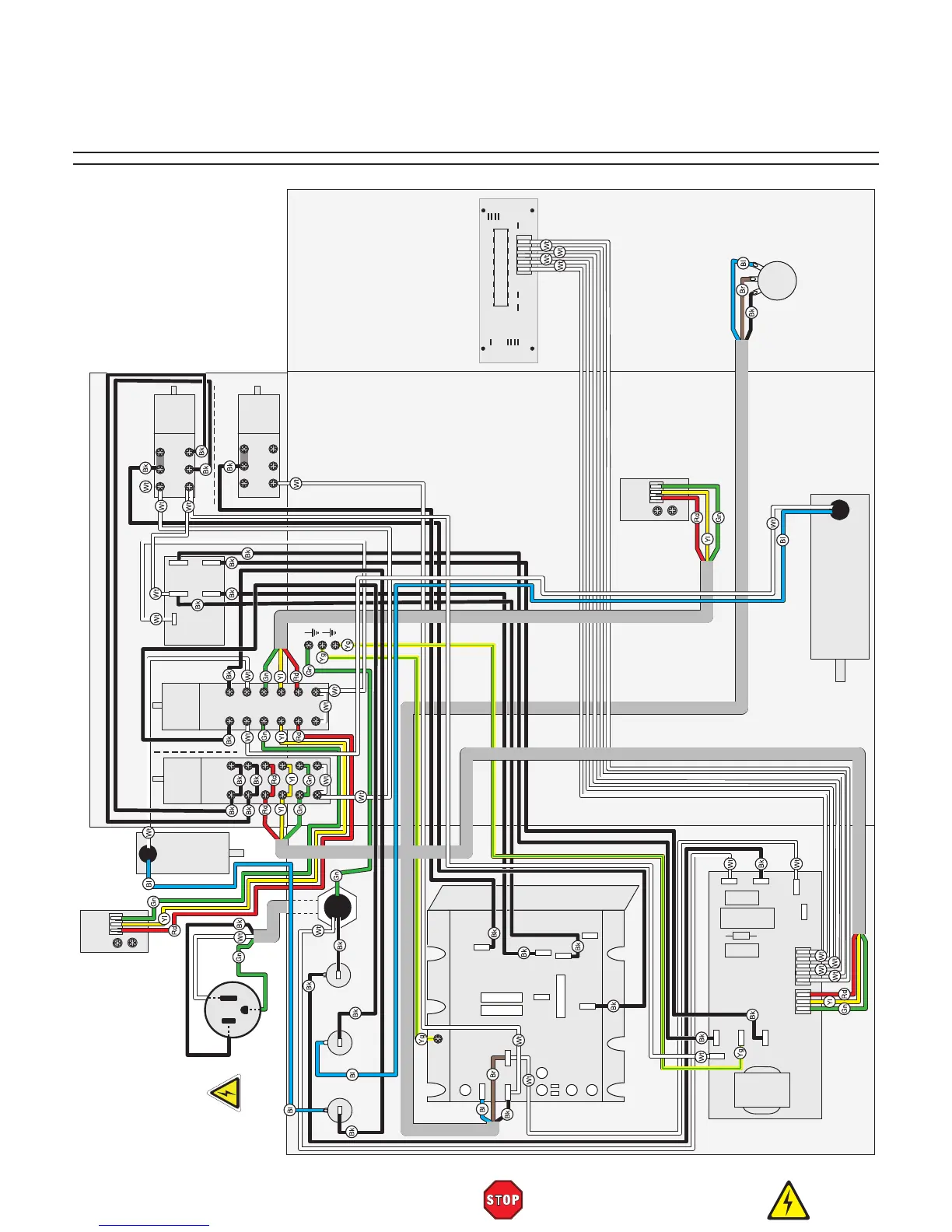
G0769 Wiring Diagram
L2
A
F
F+
L1
L
L1
N1
J1
G
N
A+
B
A
1N
1N
P1
P2
P3
To Plug
Neutral
Hot
Ground
110 VAC
5-15 Plug
(As Recommended)
SPEED CONTROL
CIRCUIT BOARD
FILTER CIRCUIT BOARD
GND
SN130722
WX14-12
1k7±5
Lathe RPM
Sensor
DRO
Mill/Drill
Motor
J1
Lathe Motor
Potentiometer
Lathe/Mill Drill
Selection Switch
110V 10A
Single Phase
3/4 HP
5250 RPM
110V 10A
Single Phase
3/4 HP
4800 RPM
KEDU ZHA
EN61058
Left Side
KEDU ZHA
EN61058
Right Side
DIRECTION SWITCH
DIRECTION SWITCH
10
7
15
26
3
8 4
12
11
23
24
13
14
A1
KEDU
KJD17B
120V
Direction
Switch
Emergency Stop
Top Panel
Rear Panel
(Viewed from Backside)
Front Panel
(Viewed From Backside)
Inside Electrical
Compartment
9
Fuse
F15al250V
Fuse
F10al250V
Fuse
F10al250V
SELECTION
SWITCH
Ui AC-11
440V 360VA
Ith10A
LW8-10/6
SELECTION
SWITCH
Ui AC-11
440V 360VA
Ith10A
LW8-10/6
10
12
ZD-HAWK
Mill RPM Sensor
J1
119
13 15
17 19
16 14
20 18
2321
2224
24
68
31
75
(Replaces Page 93 in Manual)

Table of Contents

Related product manuals