EasyManua.ls Logo

Groen VRC-3E - LADDER DIAGRAM • VRC-3 E, VRC-6 E; Ladder Diagram

Groen VRC-3E
52 pages
Print Icon
To Next Page IconTo Next Page
To Next Page IconTo Next Page
To Previous Page IconTo Previous Page
To Previous Page IconTo Previous Page
Loading...
PART NUMBER 145702, REV. C (01/07)
CALL 888-994-7636 FOR TECHNICAL SUPPORT
50
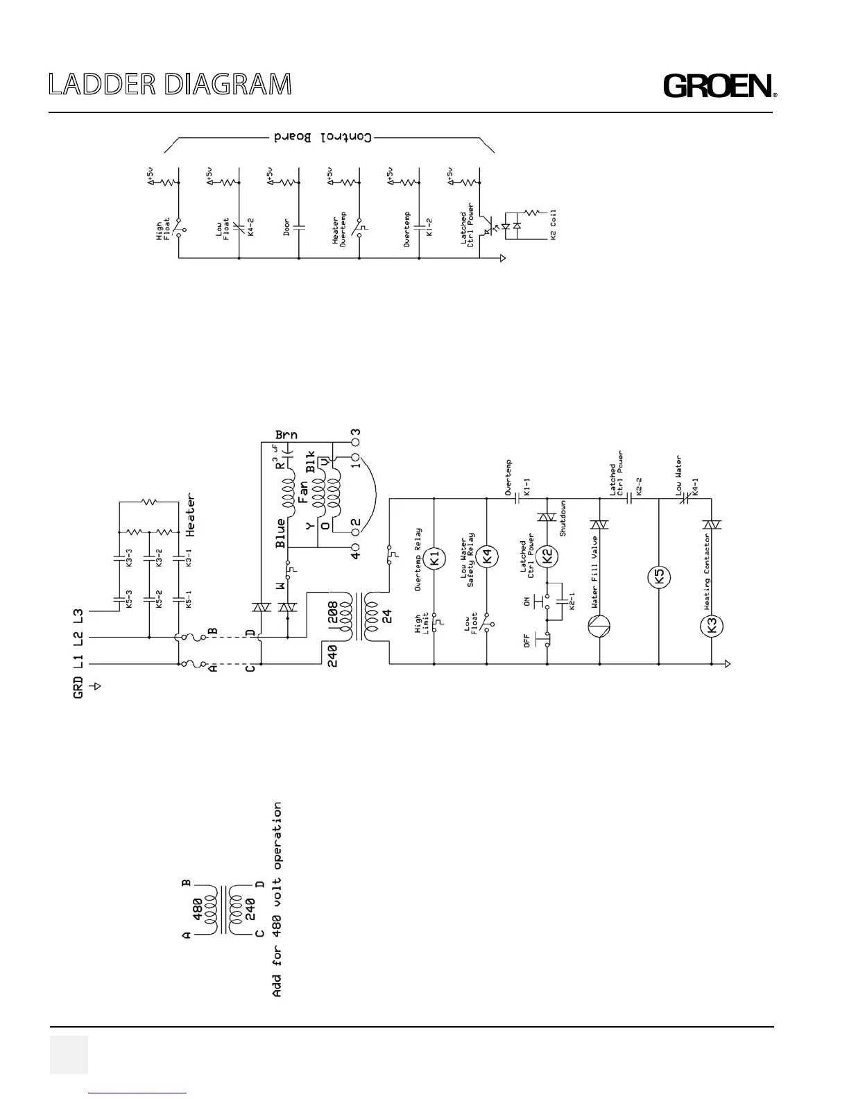
WIRING DIAGRAM VRC-3E, VRC-6E
C-2
NO-2
LOW POWER RELAY
8
6
RED/BLK
WLB
ORG/BLK
1
0
GRN/YEL
GRN/YEL
VRC-3E WIRING DIAGRAM
P/N 141763 REV F
#10 AWG COPPER
3 PHASE
1 PHASE
13
2
1
TRANSFORMER
STEAMER CONTROL BOARD
2
1
3
2
J1
2
J7
1
J6
1
T2
J2
ACHI
ACLO
14
J5A1
J5
LIGHT AND TIMER BOARD
J5B1
J9
J8
TIMER
OVERTEMP
2
4
K1
CIRCUIT
4 AMP
1
2
3
4
5
6
7
8
9
10
11
12
13
14
2
1
9
6
3
4
5
7
8
13
10
11
12
14
2
1
9
6
3
4
5
7
8
10
3
1
2
7
5
4
6
10
8
9
3
4
2
1
6
7
3
4
5
2
1
GRN/YEL
BROWN
ORANGE
BLACK
RED
BLK/ORN
RED/BLUE
BLK/RED
RED/BLK
BLUE
BLACK
BLK/BLU
WHT/BLU
K3
OVERTEMP SENSE IN
GREEN/YELLOW
24VAC HI
24VAC LO
24(DONE)
21
22(TIMING)
11
12(MANUAL)
BLUE
RED
BLUE
RED
10VAC
COM
10VAC
10
8
6
WHITE/ORANGE
WHITE/ORANGE
GREEN/YELLOW
ACLO
ACHI
P/N 123125
JUMPER 208/240V
5 4 2 1
24 VAC SWITCHED
+12VDC-OUT
24VAC UNSWITCHED (DRAIN)
24 VAC LOW
24VAC SWITCHED
0 1
GRN/YEL
BROWN
ORANGE
BLACK
BLK/ORN
BLACK/RED
RED/BLACK
LOW PROBE
HIGH PROBE
+12VDC
24VAC
DRAIN
LOW POWER
FILL
FAN SPRAY
SHUTDOWN
BREAKER
TRANSFORMER
24VAC
75VA
LEFT
WHITE
BLACK
1
2
DOOR SWITCH
1
2
RIGHT
BLUE
BLUE
BLUE
BLUE
BLUE
BLUE
BLUE
BLUE
BLUE
BLUE
BLUE
BLUE
BLUE
+5VDC
PC1
PC2
12
11
7
K1
0 1
(24 VAC)
A B C D
L1 X L2 L3
DO NOT CONNECT POWER TO TERMINALS MARKED X
A B C D
L1 X L2 X
TERMINAL BLOCK TB1
208V, 240V, 480V
208V & 240V
BLUE
BLACK
BLUE
BLUE
RED
RED
RED
RED
BLK/BLU
HI PROBE
17
18
LO PROBE
WHT/BLU
P7
T1
6AMP
F1
6AMP
F2
240V
208V
BLACK
ACHI
6AMP
F1
6AMP
F2
ACHI
T3
ACLO
T1
OPTIONAL 480V
ACLO
STANDARD 208/240V
BLACK
WHITE
RED
YELLOW
BLACK
A
B
A
B
A
B
A
B
OPTIONAL 480V - VRC-3E ONLY
BLUE
BLUE
BLACK
BLUE
BLUE
BLACK
CB
2 A
RED
(17)
(18)
J8
RED
RED
RTD
START CAP
WHITE
BROWN
YELLOW
VIOLET
ORANGE
BLACK
MAIN
START
BLUE
RED
RED
BROWN
208/240=3uf
WHITE
YELLOW
BLUE
VIOLET
BROWN
BROWN
RED
RED
ORANGE
KEY
BLACK
M1
MOTOR
3600 RPM
C1
2
1
6
3
4
5
TERMINAL BLOCK TB1
B C D
L1 X L2 L3
L3
GND
A
L3
T3
T2
L2
L1
T1
1
2
K3
STANDARD 208/240V
1
2
2
1
HOLD
RED
RED
3 PHASE
TERMINAL BLOCK TB1
B C D
L1 X L2 GND
A
L3
T3
T2
L2
L1
T1
K3
480 VAC VRC-6E
2
1
3 PHASE
2
1
2
1
A
A
NO-1
C-1
2
WLB
RED
LR1
C
NO
LR1
LR
RS
G
C
NC
HL2
4 3
LR1
4
GRN/YEL
H1
H2
H3
H1
H2
H3
RED/BLUE
)LA
N
OI
T
PO(L
LI
FRETAW3
1
WV
2
TB2
C
NC
HL1
LI
L2
H
WHT
WATER LEVEL
BOARD
TERMINAL BLOCK TB1
B C D
L1 X L2 X GND
A
L3
T3
T2
L2
L1
T1
K3
208/240V
2
1
1 PHASE
2
1
2
1
A A
H1
H2
H3
Single Contractor Versions
8 2
PART NUMBER 145702, REV. B (7/06)
Call 1-800/676-9040 for Technical Support
LADDER DIAGRAM

Table of Contents

Other manuals for Groen VRC-3E

Related product manuals