EasyManua.ls Logo

Hakko Electronics 937 - Wiring Diagram

Hakko Electronics 937
20 pages
Print Icon
To Next Page IconTo Next Page
To Next Page IconTo Next Page
To Previous Page IconTo Previous Page
To Previous Page IconTo Previous Page
Loading...
18
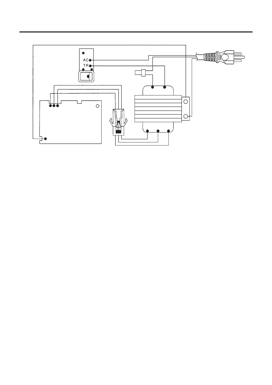
16. WIRING DIAGRAM
Control P.W.B.
Transformer
Ground
Power switch
Switching P.W.B.
BLKWHT
WHT
BLK RED

Related product manuals