EasyManua.ls Logo

HANGCHA CPD30J - 2 Steering System; Steering Device

HANGCHA CPD30J
64 pages
Print Icon
To Next Page IconTo Next Page
To Next Page IconTo Next Page
To Previous Page IconTo Previous Page
To Previous Page IconTo Previous Page
Loading...
14
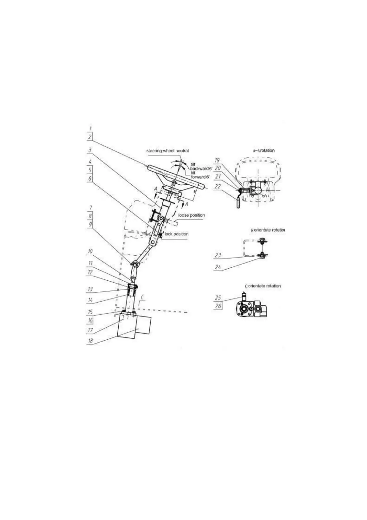
2. Steering system
Steering system include rear steering axle and steering device.
2.1 Steering device
It consists of steering wheel, upside steering column, downside steering column, bearings, steering gear,
priority valve, clamp bolt and hydraulic switch etc. You can adjust the steering angle forward and
backward by yourself. Refer to fig. 2-1.
1. Steering wheel
3.Upside steering
column
8.Gimbal
10. Down side
steering axle
12. Bearing
13. Snap ring
14.Down side
steering column
17. Steering gear
18. Priority valve
19. Clamp bolt
22. Clamp lever
26.Hydraulic
switch
Fig. 2-1 Steering device

Related product manuals