EasyManua.ls Logo

HANGCHA CPD30J - Page 58

HANGCHA CPD30J
64 pages
Print Icon
To Next Page IconTo Next Page
To Next Page IconTo Next Page
To Previous Page IconTo Previous Page
To Previous Page IconTo Previous Page
Loading...
52
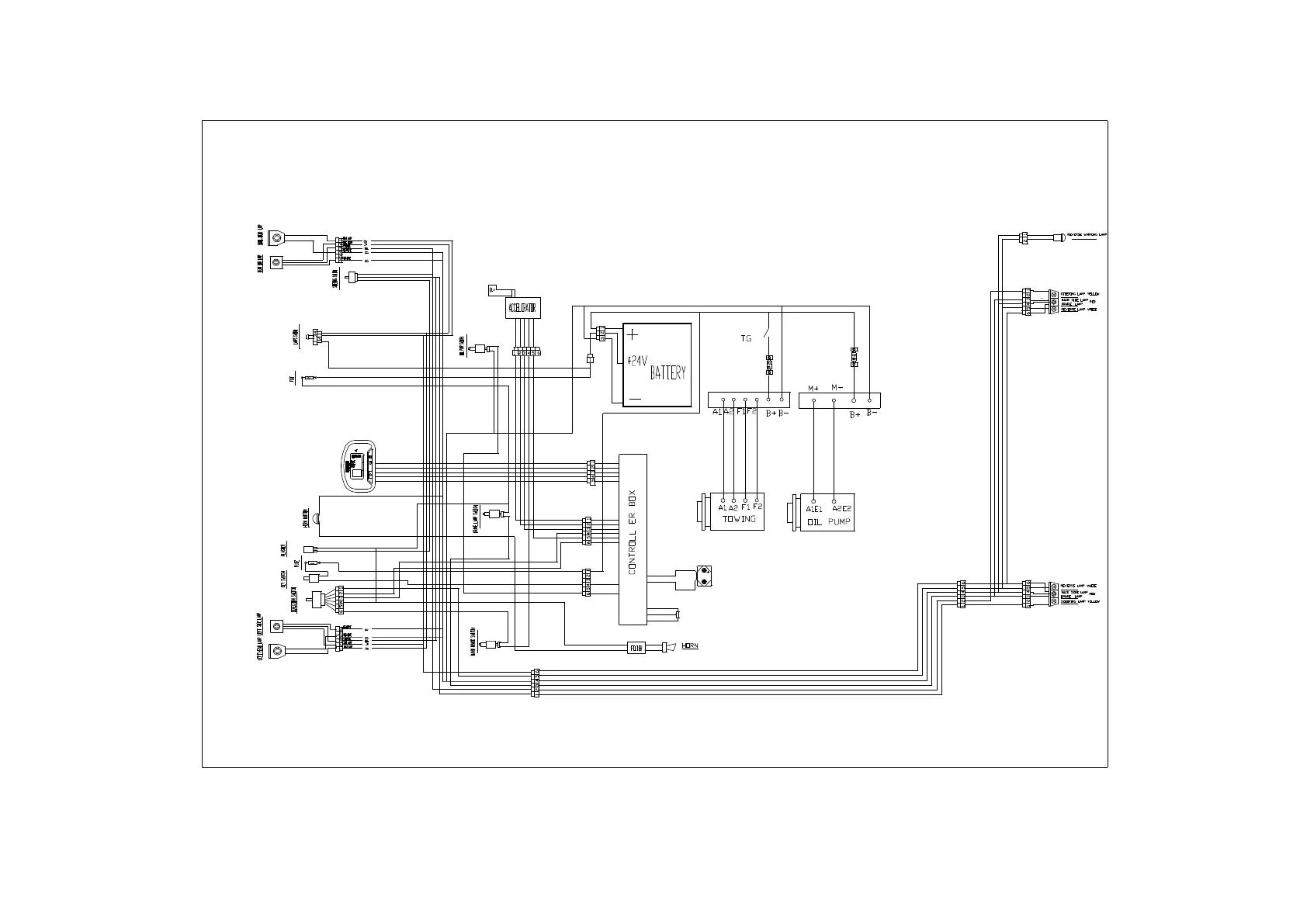
WIRING DIAGRAM OF CPD10/15/18/20/25/30J

Related product manuals