EasyManua.ls Logo

Harman Kardon AVR 134 - Setting Parameter: Music Effects

Harman Kardon AVR 134
52 pages
Print Icon
To Next Page IconTo Next Page
To Next Page IconTo Next Page
To Previous Page IconTo Previous Page
To Previous Page IconTo Previous Page
Loading...
Model : AVR-134
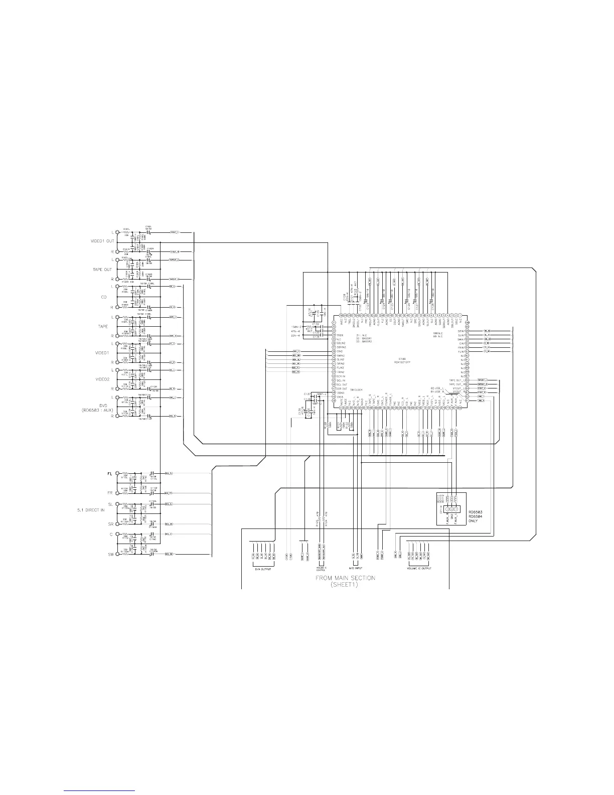
SCHEMATIC DIAGRAMS_2
MAIN_2
43

Other manuals for Harman Kardon AVR 134

Related product manuals