EasyManua.ls Logo

Harman Kardon AVR310 - Page 123

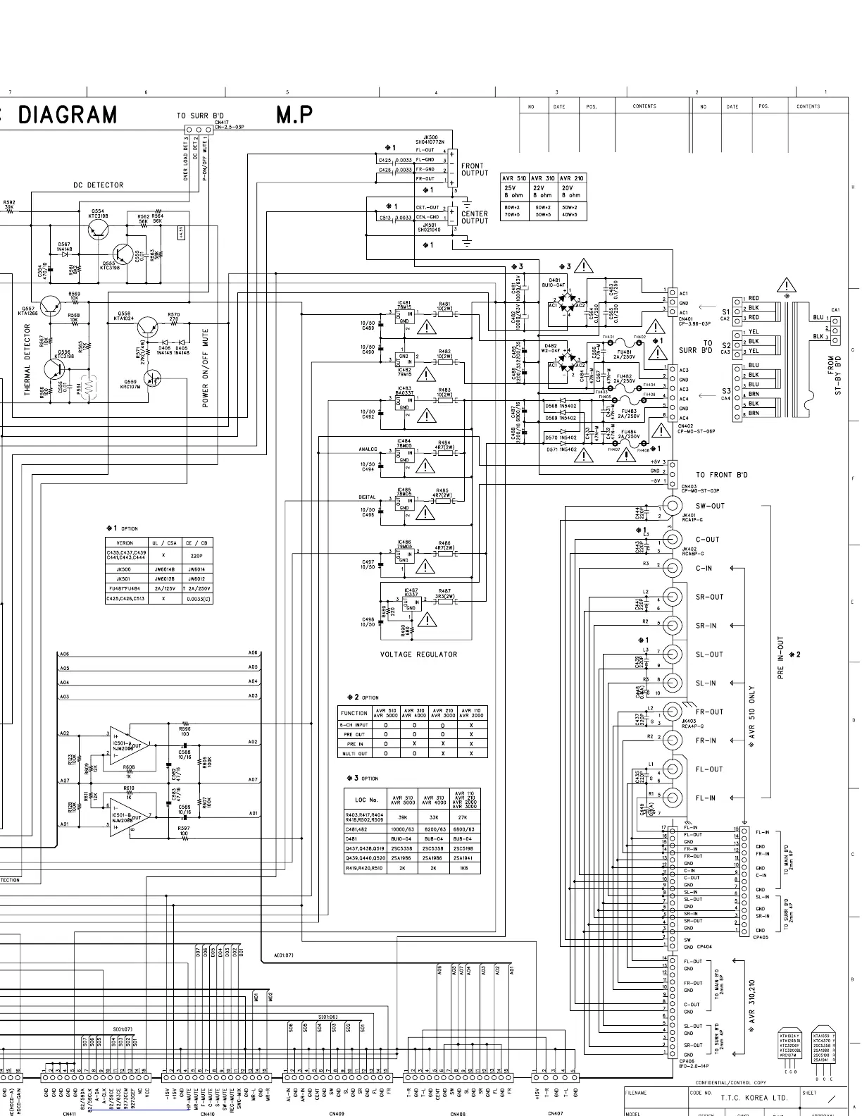
Harman Kardon AVR310
135 pages
Print Icon
To Next Page IconTo Next Page
To Next Page IconTo Next Page
To Previous Page IconTo Previous Page
To Previous Page IconTo Previous Page
Loading...
123

Related product manuals