EasyManua.ls Logo

Haskris OPC3-OPC15 - Installation: Foundation, Vibration, Elevation, Clearances, Transportation; Foundation and Mounting Requirements

Haskris OPC3-OPC15
46 pages
Print Icon
To Next Page IconTo Next Page
To Next Page IconTo Next Page
To Previous Page IconTo Previous Page
To Previous Page IconTo Previous Page
Loading...
Page 7 of 46
Phone: 001 847 956 6420
Email: service@haskris.com
III. Installation: Foundation, Vibration, Elevation, Clearances,
Transportation
Foundation
The chiller must be installed on a level concrete foundation, level roof curb, or level perimeter
beam system.
Comply with local codes for proper anchoring and vibration isolation.
Use of a level roof curb or perimeter beam system requires the specifying engineer to identify
all necessary materials of construction, thickness, and additional bracing or supports.
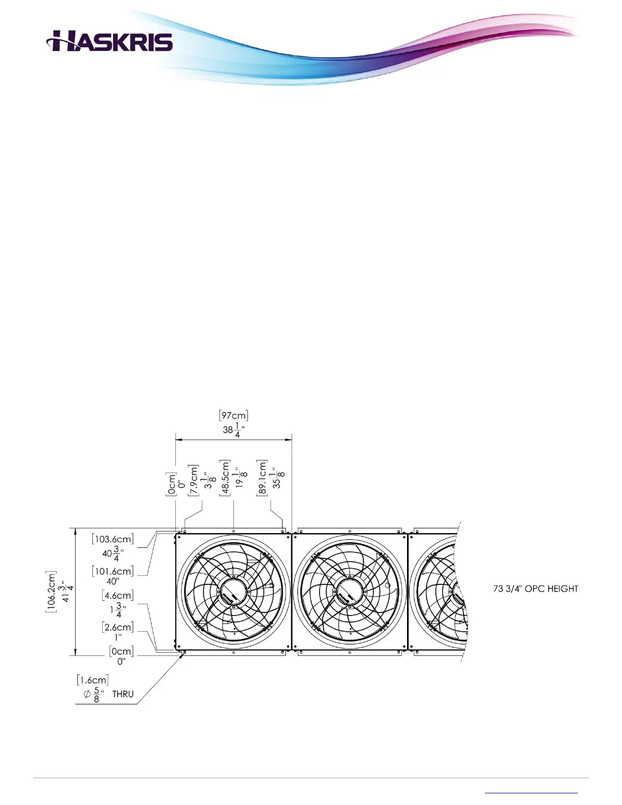
See the diagrams below for mounting hole locations.
o Note that the example in the drawings has a cutaway that shows 2.5 frame sections.
The actual number of sections varies, refer to the prior section for details.
Point load at each mounting location is 200 lbs. or less.
Mounting Hole Locations for Non-OSHPD Sites

Related product manuals