EasyManua.ls Logo

haTmed Q70B - Appendix 3 Electrical Schematic Diagram

Default Icon
40 pages
Print Icon
To Next Page IconTo Next Page
To Next Page IconTo Next Page
To Previous Page IconTo Previous Page
To Previous Page IconTo Previous Page
Loading...
- 32 -
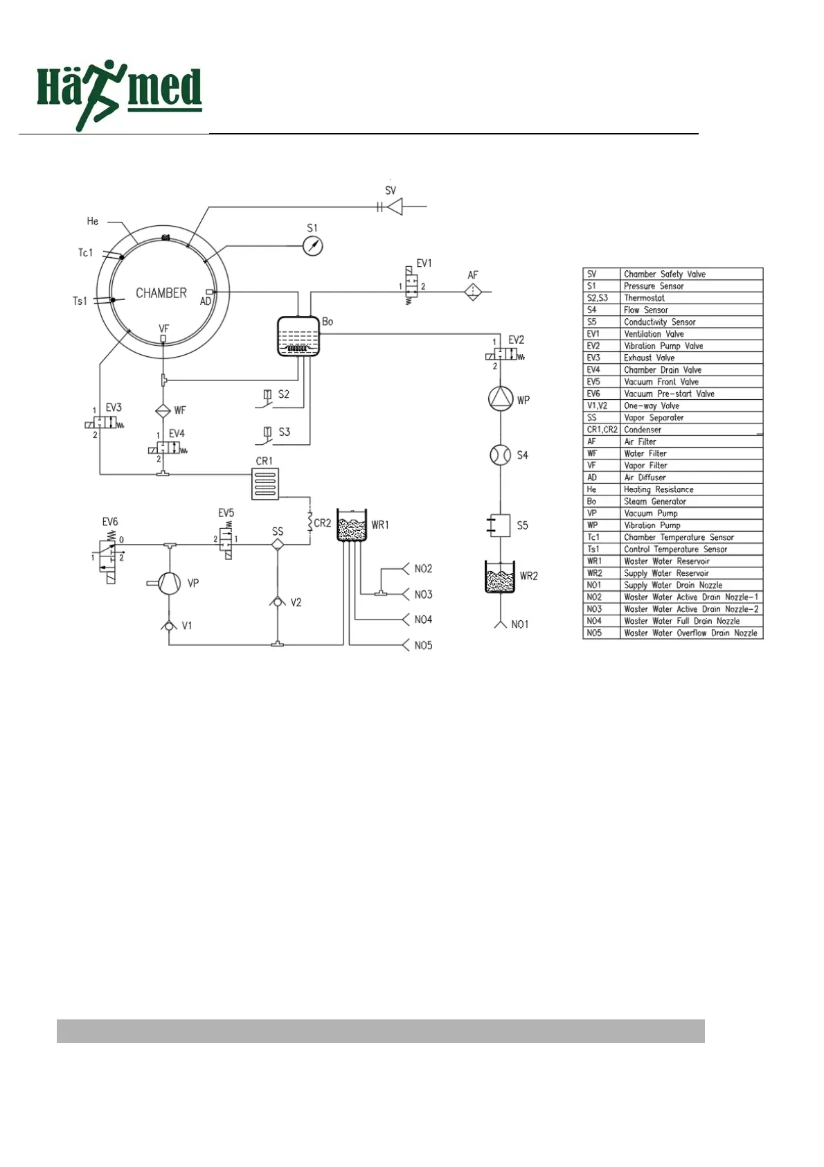
Pipingsystemschematic
Appendix3Electricalschematicdiagram

Table of Contents

Related product manuals