EasyManua.ls Logo

HiDew DOS - Functional Diagram

Default Icon
60 pages
Print Icon
To Next Page IconTo Next Page
To Next Page IconTo Next Page
To Previous Page IconTo Previous Page
To Previous Page IconTo Previous Page
Loading...
Installation, use and maintenance manual rev08
DDS-DCS-DVS-DOS - Dehumidifiers for small swimming pools
29 - 60
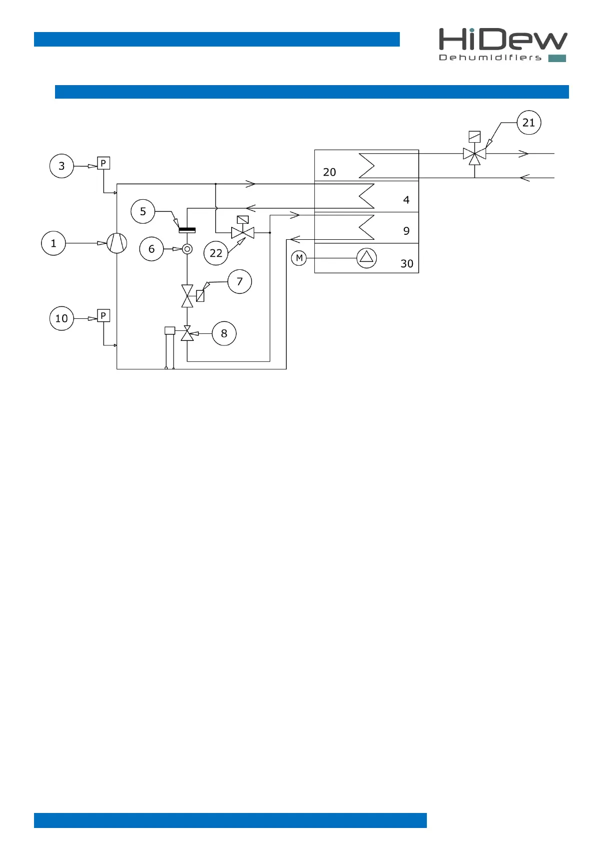
4.5 FUNCTIONAL DIAGRAM
1 compressor
3 high-pressure switch
4 condensing coil
5 dehydrating filter
6 flow indicator
7 solenoid valve
8 lamination elements
9 evaporating coil
10 low pressure probe
20 water post-heating coil [optional]
21 3-way water valve [optional]
22 hot gas defrost valve [optional]
30 fan

Related product manuals