EasyManua.ls Logo

Hioki 3441 - Page 35

Hioki 3441
86 pages
Print Icon
To Next Page IconTo Next Page
To Next Page IconTo Next Page
To Previous Page IconTo Previous Page
To Previous Page IconTo Previous Page
Loading...
31
――――――――――――――――――――――――――
5
センサ(オプション)
―――――――――――――――――――――――
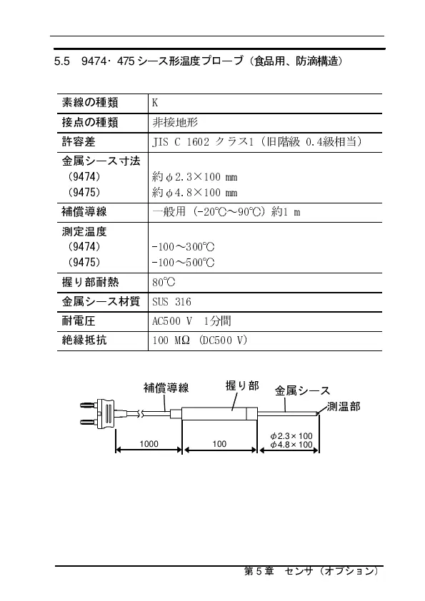
の種類
K
の種類
非接地
許容
JIS C 1602 ラス1(階級 0.4相当
金属シース寸
(9474
(9475
φ2.3×100 mm
φ4.8×100 mm
補償導
一般用(-20 ~90 )約1 m
測定温
(9474
(9475
-100~300
-100~500
部耐熱
80
金属シース材
SUS 316
耐電
AC500 V 1分間
絶縁抵
100 (DC500 V)
1000 100
補償導
握り
シース
測温
φ
2.3
×
100
φ
4.8
×
100
5.5 9474
9475
シース形温度プローブ(食品用、防滴構造)

Related product manuals