EasyManua.ls Logo

Holzmann ED 750FDQ - Page 58

Holzmann ED 750FDQ
Print Icon
To Next Page IconTo Next Page
To Next Page IconTo Next Page
To Previous Page IconTo Previous Page
To Previous Page IconTo Previous Page
Loading...
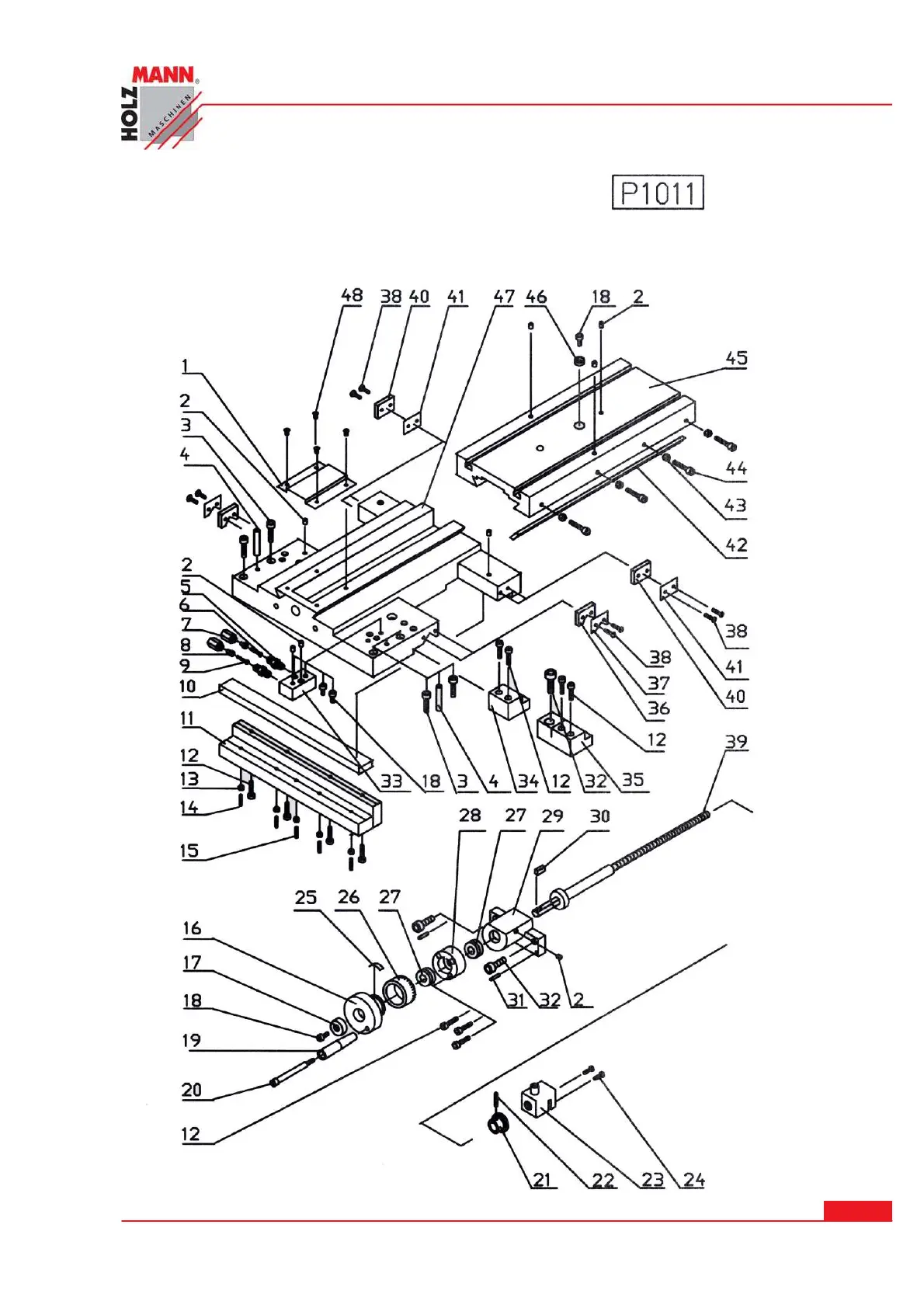
ERSATZTEI LE / SPARE PARTS
HOLZMANN Maschinen Austria www.holzmann-maschinen.at
Seit e 5 8
Metalldrehmaschine / metal turning lathe ED 750 FDQ

Table of Contents

Related product manuals