EasyManua.ls Logo

Honda BF200D - Lubrication

Honda BF200D
152 pages
Print Icon
To Next Page IconTo Next Page
To Next Page IconTo Next Page
To Previous Page IconTo Previous Page
To Previous Page IconTo Previous Page
Loading...
124
MAINTENANCE
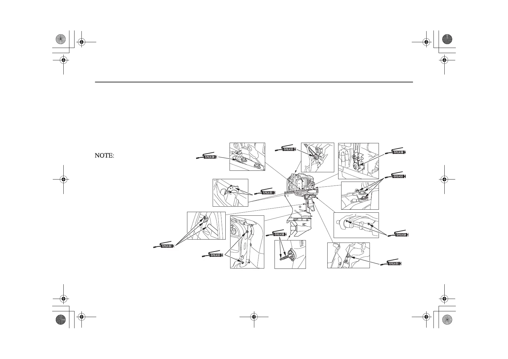
THROTTLE
REEL
(R1, R2, R3 type)
THROTTLE ARM/
SHIFT ARM SHAFT
(R1, R2, R3 type)
SHIFT ARM/
CLICK
ROLLER/
NEUTRAL
SWITCH
TILT SHAFT
TILT LOCK LEVER/SHAFT CAM
PROPELLER
SHAFT
SWIVEL
PTT THRUST RECEIVER
(each side)
Lubrication
Wipe the outside of the engine with a cloth dipped in
clean oil. Apply marine anticorrosion grease to the
following parts:
Lubrication interval:
20 hours or a month after the date of purchase
for initial lubrication, then every 100 hours or
6 months.
Apply anticorrosion oil to pivot
surfaces where grease cannot
penetrate.
Lubricate more frequently
when used in salt water.
ENGINE COVER LATCH/ LOCK
(each side)
SHIFT LINK PIVOT/
SHIFT LINK GUIDE
(DBW type)
42ZVL600.book 124 ページ 2018年7月19日 木曜日 午前9時6分

Table of Contents

Related product manuals