EasyManua.ls Logo

Honda EB5000X - Page 93

Honda EB5000X
112 pages
Print Icon
To Next Page IconTo Next Page
To Next Page IconTo Next Page
To Previous Page IconTo Previous Page
To Previous Page IconTo Previous Page
Loading...
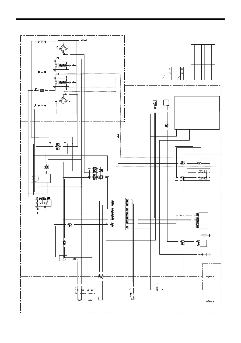
TECHNICAL INFORMATION
91
A
B
A
A
G
R
R
Bu
R
Bu
Bu
W
G
D
1
1
D
D
G
W
B
G
W
C
C
R
G
W
W
A
B
R
C
R
D
R
W
W
R
W
W
R
R
R
W
O
R
W
R
RR
Bl
Bl
Bu
Bu
Y
Y
Br
Bu
Bu
R
R
W
Bl
W
Bl
W
W
R
W
Bl
R
Bu
Bu
W
Bu
Bu
R
Br
Bu
Bu
R
Br
Bu
Br
Bu
Bu
W
W/R
R
W
W
Bu
R
+
W
Bu
Bu Bu
Br
Bu
W
G
Y
Y
G
Bl/R
Bu/R
Bu/Y
Lg
W
Bl
Bl
Br
Br
RR
R
W
P
Bl
P
W
W
Bl
R
Y
Bl
R
Lg
G
Y
Bl
Bl/R
Bu/R
Bu/Y
R
R
Bl
Bl
R
R
Lg
W/R
G
Y
G
G
Br
Br
Y/R
Y/Bu
W/O
W/G
Y
Y/R
G
Y/Bu
W/O
W/G
CIRCUIT
PROTECTOR
(30A)
CIRCUIT
PROTECTOR
(20A)
CIRCUIT
PROTECTOR
(20A)
CIRCUIT
PROTECTOR
(30A)
FUSE
0.5A
30A-125/250V
(L14-30R)
20A-125V
(5-20R)
20A-125V
(5-20R)
30A-125V
(L5-30R)
LINE
LOAD
GFCI
LINE
LOAD
GFCI
MAIN
BREAKER
CT
GFCI
MW (U)
MW (V)
MW (N1)
MW (N2)
ENG BLOCKFRAME BLOCK
GENERATOR BLOCK CONTROL BOX BLOCK EB6500, 5000AC OUTLET
MW
MW
EX W
VOLT
CHANGE
SW
FW
S-PLUG
ECU
POWER
COIL (CO)
POWER
COIL
D-CD1
OIL LEVEL SW
EARTH EARTH
EXT (-)
EXT (+)
OIL ALT
LED
BREATHER
HEATER
(YOP)
SET NE
COM 12V
COM RX
COM TX
S GND
PWR 1
PWR 2
CT
CT
SW
POWER
EARTH
OIL
NE
12V
TXD
GND
D-AVR
10
12
7
9
1
11
8
2
5
3
4
6
FW
FW
FW
EX
EX
V
N
U
EARTH TERMINAL
EXT (-)
EXT (+)
ENG
STOP
SW
ECOTHROTTLE
SW
5 POWER_SUPPLY+
11 POWER_SUPPLY-
17 TEST
6 N. C.
8 N. C.
10 N. C.
12 N. C.
14 N. C.
16 N. C.
18 N. C.
20 N. C.
21 N. C.
22 N. C.
23 N. C.
24 N. C.
19 N. C.
15 IGN
13 RESET
7 IND1_CO
9 IND2_TROUBLE
1 STOP-
2 STOP+
3 EARTH
4 EARTH
4 TEST_SW
5 RESET_SW
1 EARTH
2 IND_CO
3 IND_TROUBLE
ECO THROTTLE SW
OFF
ON
SWCOM
ENG STOP SW
OFF
ON
EXT
(+)
EXT
(-)
RXD
Bu
G
R
W
Bl BLACK
YELLOW
BROWNBr
ORANGEO
LIGHT BLUELb
LIGHT GREENLg
PINKP
GRAYGr
BLUE
GREEN
RED
WHITE
V BEIGEBeVIOLET
Y
COLOR COMB: GROUND/MARKING
CO UNIT
and
INDICATOR
UNIT
31Z238200.book 91 ージ 020年2月20日 木曜日 午前10時57

Table of Contents

Related product manuals