EasyManua.ls Logo

Honeywell NOTIFIER SCS Series - Page 129

Honeywell NOTIFIER SCS Series
210 pages
To Next Page IconTo Next Page
To Next Page IconTo Next Page
To Previous Page IconTo Previous Page
To Previous Page IconTo Previous Page
Loading...
SCS Series Manual — P/N 15712:L 7/18/16 129
Non-dedicated Smoke Control System Wiring Diagrams Ratings and Wiring Diagrams
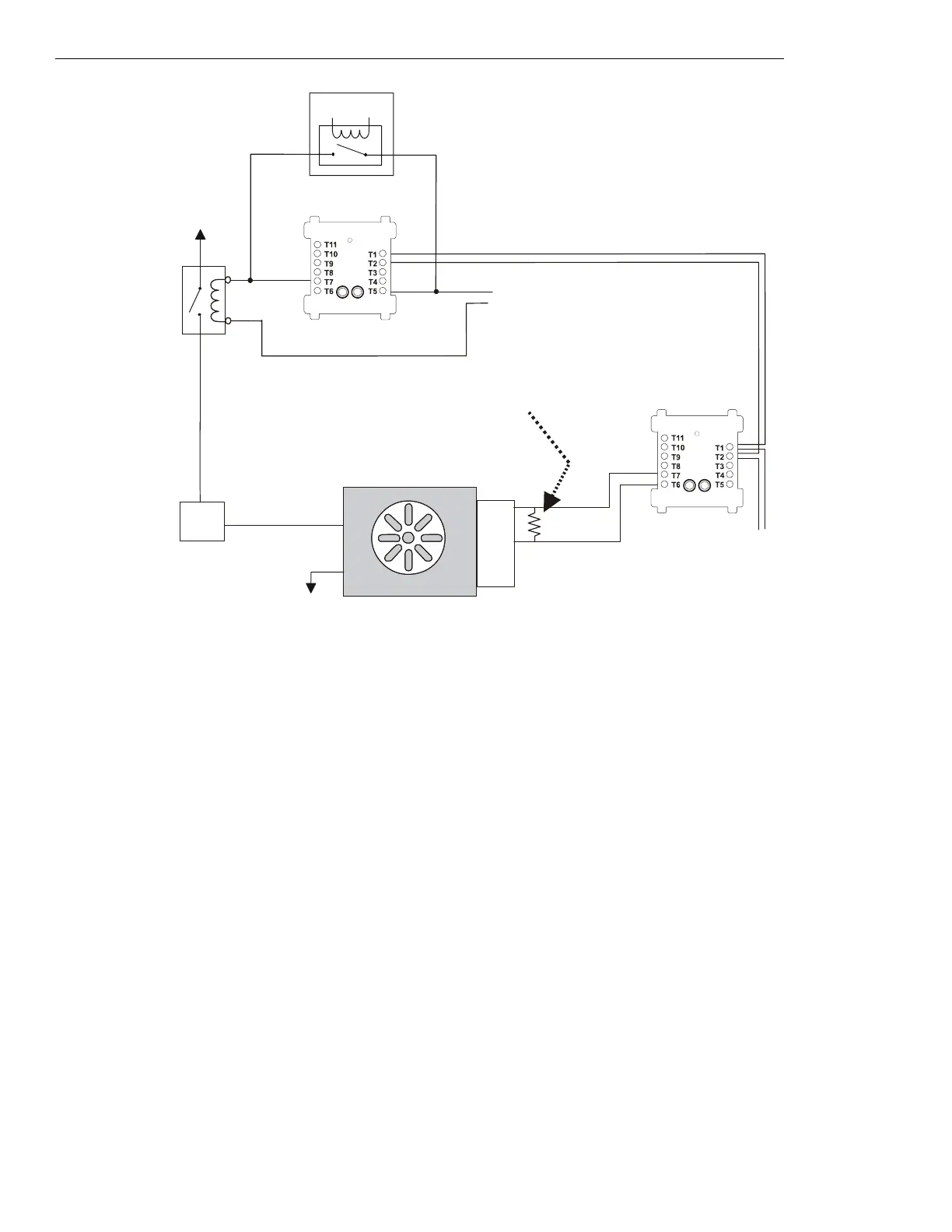
Figure 5.20 Fan Control, Non-dedicated System - FSCS Switch Group Type 5
Figure 5.20 depicts a fan in a non-dedicated system with the capability of ON control and verification of the ON state, switch group type 5. In
the above configuration, the CON
ONOP
CM is deactivated. The CON
ONOP
CM is wired in parallel with the EMS; when wired in parallel with
the EMS the CM must be a relay module. When the CON
ONOP
CM is deactivated, the EMS is free to control the fan. In this case the EMS is
OFF, so no power is being supplied to the fan. When no power is supplied to the fan, the fan is OFF and the sail switch is CLOSED, indicating
no airflow in the duct. The VER
ONOP
MM monitors the OPEN position of the sail switch, which would indicate when the fan is ON. In this
case the VER
ONOP
MM is deactivated because the fan is OFF due to the EMS. When the CON
ONOP
CM is activated, the CON
ONOP
CM over-
rides whatever state the EMS is in and closes the normally open contactor, thus supplying power to the fan and turning it
ON.
Switch group type 6 is for a fan that would require the capability of
ON control and verification of both the ON and OFF states. Since it is pos-
sible to determine this information from both switch group type 4 or switch group type 5, switch group type 6 would only be necessary for
redundancy in verifying the state of the fan. For example, if switch group type 4 is used instead of switch group type 6, the
OFF state of the
fan would be verified when the monitor module is activated and the ON state of the fan would be verified when the monitor module is deac-
tivated. Utilizing switch group type 4 or 5 also saves the use of an additional monitor module. Switch group type 6 would use two monitor
modules to provide the same verification as types 4 or 5.
FRM-1
COM
N/O.
Power Source
1a listed
contactor
Service
Disconnect
Switch
ELR-47K
(use 3.9K listed ELR with FZM-1)
Listed
Sail
Switch
N/O
COM
N/C
Power Return
VER
ON/OP
MM
(deactivated)
fan-nf5-fs-2.wmf
SLC Loop
FAN OFF
Energy
Management
System
Listed
24 VDC
Power Source
FMM-1
CON
ON/OP
CM
(deactivated)
*If the SLC device
does not match the
one in this figure,
refer to the SLC
manual appendix,
which contains
wiring conversion
charts for type V
and type H
modules.

Table of Contents

Related product manuals