EasyManua.ls Logo

Honeywell NOTIFIER SCS Series

Honeywell NOTIFIER SCS Series
210 pages
To Next Page IconTo Next Page
To Next Page IconTo Next Page
To Previous Page IconTo Previous Page
To Previous Page IconTo Previous Page
Loading...
156 SCS Series Manual — P/N 15712:L 7/18/16
Ratings and Wiring Diagrams HVAC Wiring Diagrams
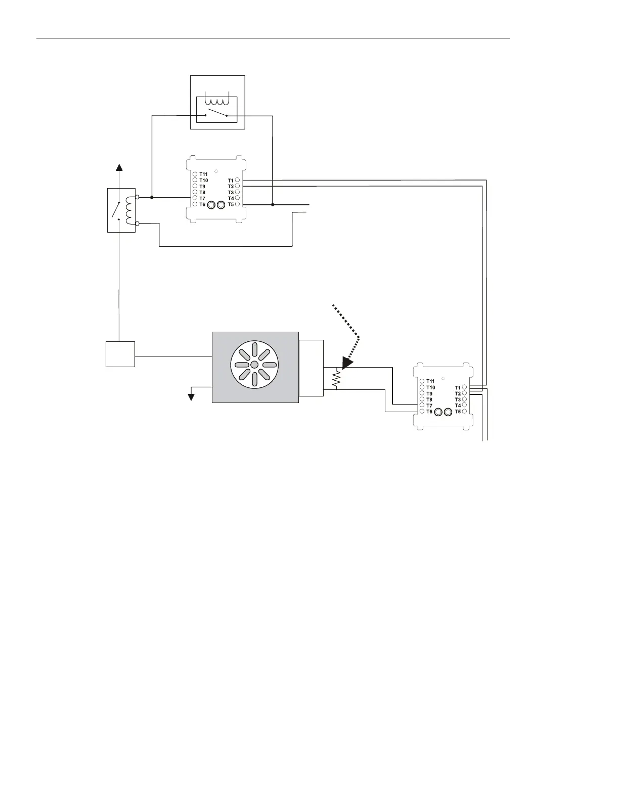
Figure 5.47 Fan Control - HVAC Switch Group Type 9
Figure 5.47 depicts a fan in an HVAC system with the capability of ON control and verification of the OFF state, switch group type 9. In the
above configuration, the CON
ONOP
CM is deactivated. The CON
ONOP
CM is wired in parallel with the EMS; when wired in parallel with
the EMS the CM must be a relay module. When the CON
ONOP
CM is deactivated, the EMS is free to control the fan. In this case the EMS is
OFF, so no power is being supplied to the fan. When no power is supplied to the fan, the fan is OFF and the sail switch is CLOSED, indicating
no airflow in the duct. The VER
OFFCL
MM monitors the CLOSED position of the sail switch, which would indicate when the fan is OFF. In
this case the VER
OFFCL
MM is activated because the fan is OFF due to the EMS. When the CON
ONOP
CM is activated, the CON
ONOP
CM
overrides whatever state the EMS is in and closes the normally open contactor, thus supplying power to the fan and turning it on.
FRM-1
COM
N/O.
Power Source
1a listed
contact
Service
Disconnect
Switch
ELR-47K
(use 3.9K listed ELR with FZM-1)
Listed
Sail
Switch
N/O
COM
N/C
Power Return
Listed
24 VDC
Power Source
VER
OFF/CL
MM
(activated)
fan-h9-fs-2.wmf
SLC Loop
FAN OFF
Energy Management System
FMM-1
CON
ON/OP
CM
(deactivated)
*If the SLC device
does not match the
one in this figure,
refer to the SLC
manual appendix,
which contains wiring
conversion charts for
type V and type H
modules.

Table of Contents

Related product manuals