EasyManua.ls Logo

Honeywell NOTIFIER SCS Series

Honeywell NOTIFIER SCS Series
210 pages
To Next Page IconTo Next Page
To Next Page IconTo Next Page
To Previous Page IconTo Previous Page
To Previous Page IconTo Previous Page
Loading...
SCS Series Manual — P/N 15712:L 7/18/16 157
HVAC Wiring Diagrams Ratings and Wiring Diagrams
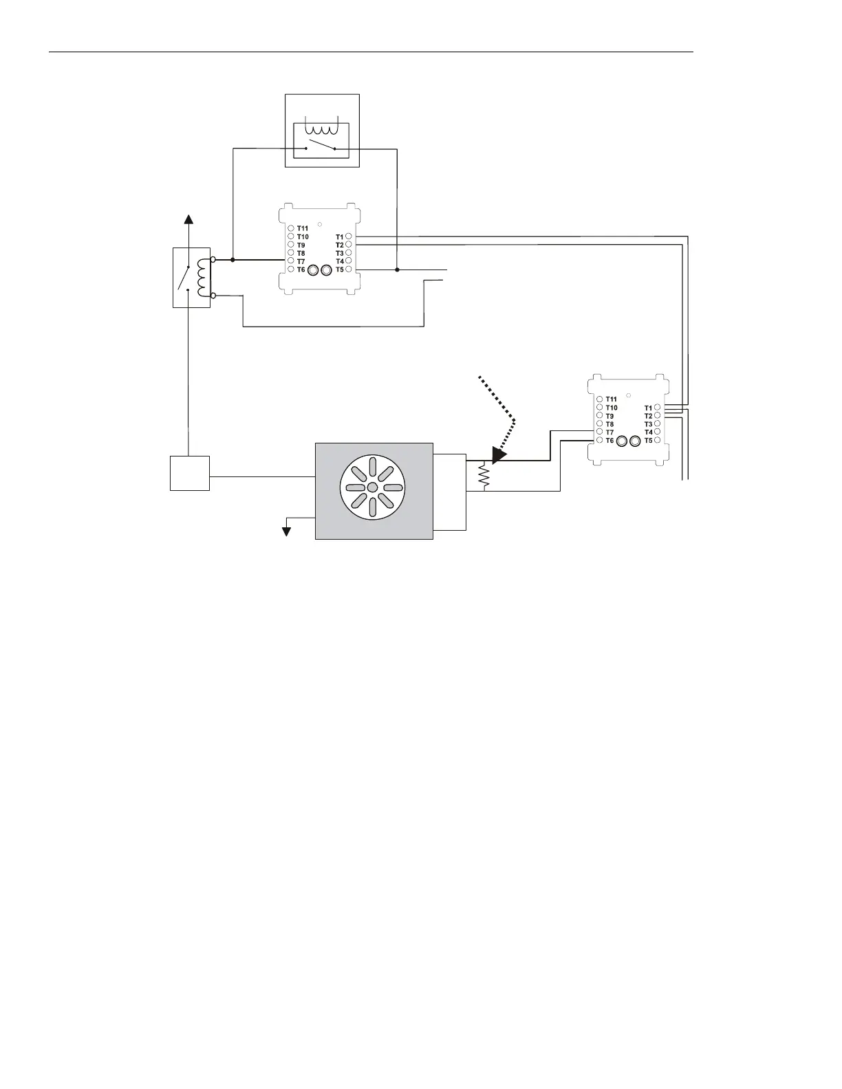
Figure 5.48 Fan Control - HVAC Switch Group Type 10
Figure 5.48 depicts a fan in an HVAC system with the capability of
ON control and verification of the ON state, switch group type 10. In the
above configuration, the CON
ONOP
CM is deactivated. The CON
ONOP
CM is wired in parallel with the EMS; when wired in parallel with the
EMS the CM must be a relay module. When the CON
ONOP
CM is deactivated, the EMS is free to control the fan. In this case the EMS is OFF,
so no power is being supplied to the fan. When no power is supplied to the fan, the fan is OFF and the sail switch is CLOSED, indicating no air-
flow in the duct. The VER
ONOP
MM monitors the OPEN position of the sail switch, which would indicate when the fan is ON. In this case the
VER
ONOP
MM is deactivated because the fan is OFF due to the EMS. When the CON
ONOP
CM is activated, the CON
ONOP
CM overrides
whatever state the EMS is in and closes the normally open contactor, thus supplying power to the fan and turning it ON.
Switch group type 11 is for a fan that would require the capability of
ON control and verification of both the ON and OFF states. Since it is pos-
sible to determine this information from either switch group type 9 or switch group type 10, switch group type 11 would only be necessary
for redundancy in verifying the state of the fan. For example, if switch group type 9 is used instead of switch group type 11, the
OFF state of
the fan would be verified when the module is activated and the ON state of the fan would be verified when the monitor module is deactivated.
Utilizing switch group types 9 or 10 also saves the use of an additional monitor module. Switch group type 11 would use two monitor mod-
ules to provide the same verification as types 9 or 10.
FRM-1
COM
N/O.
Power Source
1a listed
contact
Service
Disconnect
Switch
ELR-47K
(use 3.9K listed ELR with FZM-1)
Listed
Sail
Switch
N/O
COM
N/C
Power Return
VER
ON/OP
MM
(deactivated)
fan-h10-fs-2.wmf
SLC Loop
FAN OFF
Listed
24 VDC
Power Source
FMM-1
CON
ON/OP
CM
(deactivated)
Energy Management System
*If the SLC device
does not match the
one in this figure, refer
to the SLC manual
appendix, which
contains wiring
conversion charts for
type V and type H
modules.

Table of Contents

Related product manuals