EasyManua.ls Logo

Honeywell NOTIFIER SCS Series - Page 169

Honeywell NOTIFIER SCS Series
210 pages
Print Icon
To Next Page IconTo Next Page
To Next Page IconTo Next Page
To Previous Page IconTo Previous Page
To Previous Page IconTo Previous Page
Loading...
SCS Series Manual — P/N 15712:L 7/18/16 169
HVAC Wiring Diagrams Ratings and Wiring Diagrams
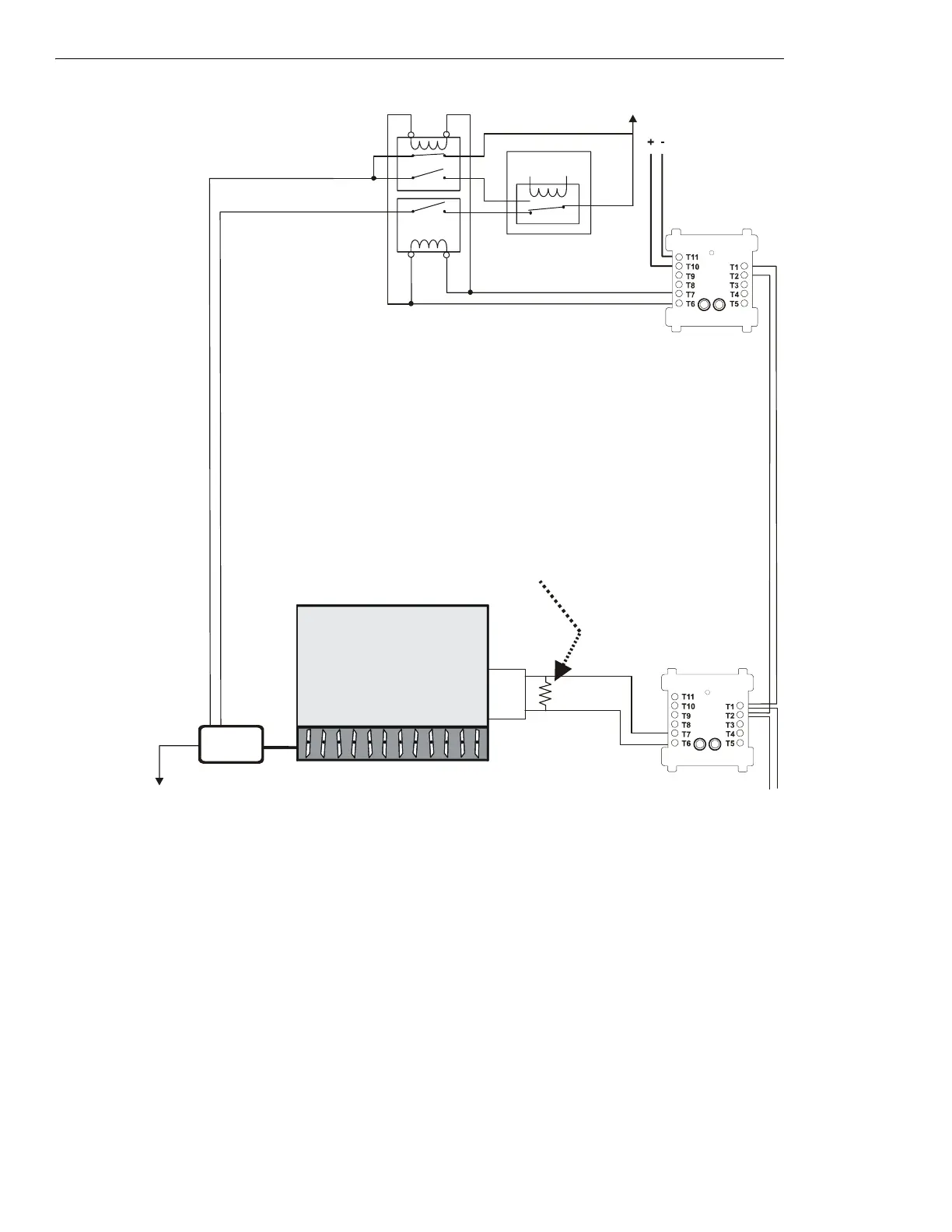
Figure 5.60 Motorized Damper Control - HVAC Switch Group Type 9
Figure 5.60 depicts a motorized damper in an HVAC system with the capability of
OPEN control and verification of the CLOSED state, switch
group type 9. In the above configuration, the CON
ONOP
CM is activated. The CON
ONOP
CM controls two contactors: a normally closed con-
tactor for the damper closed power line, and a dual normally open/normally closed contactor for the damper open power line. When the
CON
ONOP
CM is activated, the normally closed contactor is opened (cutting any power supplied by the EMS to the damper closed power
line), the normally closed portion of the dual contactor is opened (cutting any power supplied by the EMS to the damper open power line),
and the normally open portion of the dual contactor is closed, thus supplying power to close the damper. When the CON
ONOP
CM is deacti-
vated, the EMS is free to control the damper. The EMS is currently being overridden by the CON
ONOP
CM.
When power is supplied to the damper open power line, the damper opens. When the damper completely opens, the damper open limit
switch is
CLOSED, indicating that the damper is in the OPEN position.
The VER
OFFCL
MM monitors the CLOSED position of the damper closed limit switch. In this case the VER
OFFCL
MM is deactivated because
the damper is
OPEN.
Power Source
Damper
Open
Power
ELR-47K
(use 3.9K listed ELR with FZM-1)
N/O
COM
Power Return
Listed
24 VDC
Power Source
FMM-1
DMO-h9a-fs-2.wmf
SLC Loop
CON
ON/OP
CM
(activated)
VER
OFF/CL
MM
(deactivated)
Limit Switch
for closed
position
Damper
Closed
Power
AC
MOTOR
DAMPER
OPEN
FCM-1
1b, 1a listed contact
1b listed
contact
Energy
Management
System
*If the SLC device
does not match the
one in this figure, refer
to the SLC manual
appendix, which
contains wiring
conversion charts for
type V and type H
modules.

Table of Contents

Related product manuals