EasyManua.ls Logo

Honeywell TB7300A5014B - Page 8

Honeywell TB7300A5014B
24 pages
Print Icon
To Next Page IconTo Next Page
To Next Page IconTo Next Page
To Previous Page IconTo Previous Page
To Previous Page IconTo Previous Page
Loading...
TB7300 SERIES COMMUNICATING FAN COIL THERMOSTATS
62-2018—05 8
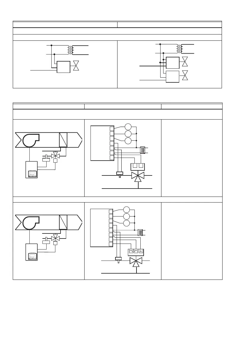
Typical applications
Analog control
TB7300F5x14(x), TB7305F5x14(x), TB7350F5x14(x) and TB7355F5x14(x)
Schematic Wiring Settings
2 pipe system cooling and/or heating: TB7300A5x14(x), TB7300C5x14(x) and TB7305C5x14(x) on/off N.C.
actuator
Normally closed on/off valve
cooling and/or heating
Mandatory
•Pipe no = 2 pipes
•CntrltTyp = On/Off
•Fan Menu = 0 (L-M-H)
•FL time = as per actuator
If cooling only set:
SeqOpera = 0 Cooling only
If heating only set:
SeqOpera = 1 Heating only
If heat/cool auto-changeover
with a local water temperature
sensor set:
SeqOpera = 0 Cooling only
•UI3 = COS
2 pipe system cooling and/or heating: TB7300C5x14(x) and TB7305C5x14(x) floating actuator
Modulating floating valve
cooling and/or heating
Mandatory
•Pipe no = 2 pipes
•CntrltTyp = Floating
•Fan Menu = 0 (L-M-H)
•FL time = as per actuator
If cooling only set:
SeqOpera = 0 Cooling only
If heating only set:
SeqOpera = 1 Heating only
If heat/cool auto-changeover
with a local water temperature
sensor set:
SeqOpera = 0 Cooling only
•UI3 = COS
2 Pipe applications 4 Pipe applications
24 V~ HOT
24 V ~ COM
HEATING/COOLING VALVE
AO 1
COM
24 VAC
0-10 VDC
M16926
24 V~ HOT
24 V ~ COM
HEATING VALVE
COOLING VALVE
AO 2
AO 1
COM
24 VAC
0-10 VDC
COM
24 VAC
0-10 VDC
M16919
ROOM TEMPERATURE
CONTROL THERMOSTAT
3 SPEED FAN
M16950
24 VAC FAN RELAYS
HIGH
MED
LOW
FAN-H
FAN-M
FAN-L
UI 3 COS
24 V~ COM
24 V ~ HOT
BO 2 N.C.
OPTIONAL SUPPLY WATER
TEMPERATURE SENSOR
M16953
ROOM TEMPERATURE
CONTROL THERMOSTAT
3 SPEED FAN
M16950
24 VAC FAN RELAYS
HIGH
MED
LOW
FAN-H
FAN-M
FAN-L
UI 3 COS
24 V~ COM
24 V ~ HOT
BO 2 CLOSE
BO 1 OPEN
OPTIONAL SUPPLY WATER
TEMPERATURE SENSOR
M16954

Related product manuals