EasyManua.ls Logo

Honeywell TB7300A5014B - Page 9

Honeywell TB7300A5014B
24 pages
Print Icon
To Next Page IconTo Next Page
To Next Page IconTo Next Page
To Previous Page IconTo Previous Page
To Previous Page IconTo Previous Page
Loading...
TB7300 SERIES COMMUNICATING FAN COIL THERMOSTATS
9 62-2018—05
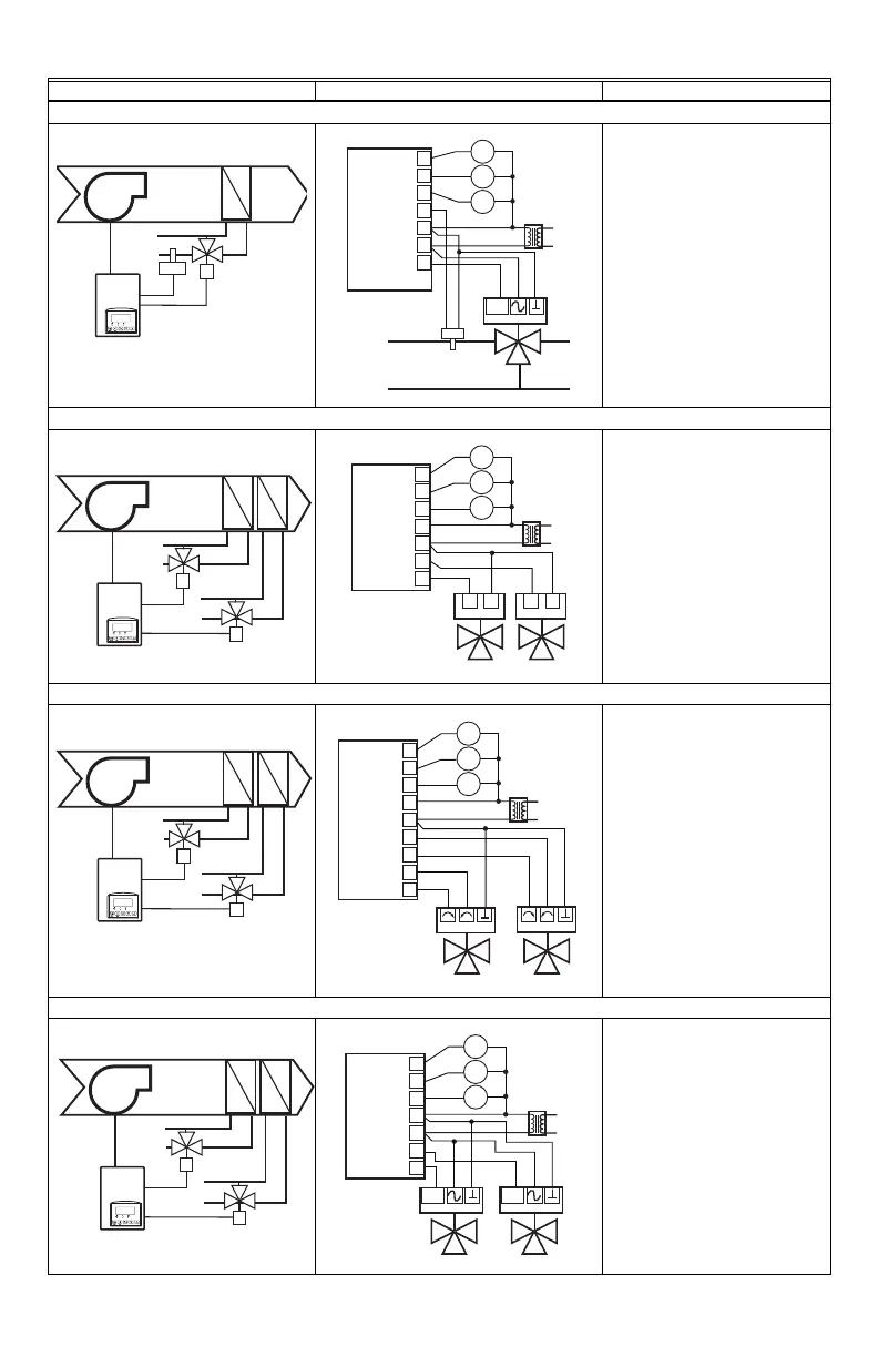
2 pipe system cooling and/or heating: TB7300F5x14(x) and TB7305F5x14(x) analog actuator
Modulating analog valve
cooling and/or heating
Mandatory
•Pipe no = 2 pipes
•Fan Menu = 0 (L-M-H)
RA/DA = as per actuator
If cooling only set:
SeqOpera = 0 Cooling only
If heating only set:
SeqOpera = 1 Heating only
If heat/cool auto-changeover
with a local water temperature
sensor set:
SeqOpera = 0 Cooling only
•UI3 = COS
4 pipe system cooling and heating: TB7300C5x14(x) and TB7305C5x14(x) on/off N.C. actuators
Normally closed on/off valve
cooling and heating
Mandatory
•Pipe no = 4 pipes
•CntrltTyp = On/Off
•Fan Menu = 0 (L-M-H)
•FL time = as per actuator
SeqOpera = 4 Cool/Heat
4 pipe system cooling and heating: TB7300C5x14(x) and TB7305C5x14(x) floating actuators
Modulating floating valve
cooling and heating
Mandatory
•Pipe no = 4 pipes
•CntrltTyp = Floating
•Fan Menu = 0 (L-M-H)
•FL time = as per actuator
SeqOpera = 4 Cool/Heat
4 pipe system cooling and heating: TB7300F5x14(x) and TB7305F5x14(x) analog actuators
Modulating analog valve
cooling and heating
Mandatory
•Pipe no = 4 pipes
•Fan Menu = 0 (L-M-H)
RA/DA = as per actuator
SeqOpera = 4 Cool/Heat
Schematic Wiring Settings
ROOM TEMPERATURE
CONTROL THERMOSTAT
3 SPEED FAN
M16950
24 VAC FAN RELAYS
HIGH
MED
LOW
FAN-H
FAN-M
FAN-L
UI 3 COS
0 V~ COM
24 V ~ HOT
AO 1
OPTIONAL SUPPLY WATER
TEMPERATURE SENSOR
M16955
0 TO 10
VDC
ROOM TEMPERATURE
CONTROL THERMOSTAT
3 SPEED FAN
M16951
24 VAC FAN RELAYS
HIGH
MED
LOW
FAN-H
FAN-M
FAN-L
24 V~ COM
24 V ~ HOT
BO 2 CLOSE
BO 4 CLOSE
M16956
HEATING
COOLING
ROOM TEMPERATURE
CONTROL THERMOSTAT
3 SPEED FAN
M16951
24 VAC FAN RELAYS
HIGH
MED
LOW
FAN-H
FAN-M
FAN-L
24 V~ COM
24 V ~ HOT
BO 1 OPEN
BO 2 CLOSE
BO 3 OPEN
BO 4 CLOSE
M16957
HEATING COOLING
ROOM TEMPERATURE
CONTROL THERMOSTAT
3 SPEED FAN
M16951
24 VAC FAN RELAYS
HIGH
MED
LOW
FAN-H
FAN-M
FAN-L
24 V~ COM
24 V ~ HOT
AO 1
AO 2
M16958
HEATING COOLING
0 TO 10
VDC
0 TO 10
VDC

Related product manuals