EasyManua.ls Logo

HP 4262A - Page 264

HP 4262A
264 pages
Print Icon
To Previous Page IconTo Previous Page
To Previous Page IconTo Previous Page
Loading...
Section
VIII
Figures
8-59
and
8-60
a2z
_
_
A1
_MOTHER
BOARD
~
A3%
BCO
OUTPUT
CONTROL
04262
66533
——_———————=
ero
a35
e
——
——
|
'—
-
-
-
-
I
ltaco
LCR
DATA
ourpur_!
-
|
|
8co
0O
OATA
OUTRUT
|
——
ot
——
xa22
EXE
2
—>
P
1
-
xa38
1
b
a
-—
A509
1
*T,
l
-
7
+sv
vese
!
f'\"
/1
v
-
-
2U68
S
||
.
R12
.
12
>
22
>—
v
|
oeoma
powT
-4
s
12
3
2
1Y
Lo
11
|
oecma
ot
1
6K
[T
.
9HCA
HCAU
a23
_
|
¢
2
Go8H
"‘
L
s
R
22
12
26
>——
13|
UNIT
CODE
=
!
A:f;'
N
12
>
8
>3
|
26—
13
|
v
cooe
-
|
xa23
(-
!
|
Aso8
1y
FICA
30>
is
TOR
1
-
Thhaai
10
>—3
197
som—i<
15|
anmnciator
—1
s
2755
[
a—
-
-
oo—-—)nz).-l-—-‘—___l--<.|a,r
veee
7]
3
)
1
|
&1
1o
FUSZ
|
2]
1o
UB2U
)
i
i
,
111492
2
Goat+
AILL%_‘m
From
47
(46)
>
38
>——
19
|
FUNCTION
/7
CIRCUIT
MOOE
1
u
e
pre
14
>—7
)
38—
19|
FuncTion
/
CiRCUIT
MODE
-~
!
7
o}
-—-)AR)—‘-————-l—-(AR‘*
HULO
L
28HS,
|
i
cosH
|
1]
6
3H75
,ze)—n\
29—t
1
]
10°-1
698H
|
683!-‘2
2
VL
aet-
«
F8IF
)
5
N
.
02-—-—)25?)-—'—————‘—(2&\-—
IE12
19
L
-
L
3!
:B_flfi_‘.'fiimuus)
n
4900
262
Bl
©
<
30—
o
9006
6
30t
|
|
A509
1
|
-,
=
30>—15
o<
3]
10"~
4
prw
to
s
|
10—
ca
63CH
o3
———-)aRL)—-l—-——l-—(sa(i
o
|
12
5
As0S
]
i
)
3
>—19,
et
7|
1=
3
14
>—-
7|
0=
12
A509
|
—_—
}
\
-
,__—_—l
e
v
R3
z
|
1
'
sy
8/E
R/E
9.6X
|l
|
5A48
T
45A4
n
i
wi
m
s
o010
scc1
]
{
13
>
28
pmmr
12|
oecmaL
poiNT
-
2
13
o
4
D23
sap—t—
12|
DECIMAL
POINT
2
\
56K
\
2
H296
|
8o
2
|
N
28
va
|
uniT
coDE
2
8
>——32
20—
14|
umT
cooE
-2
TR
<
6
A819
12
0
P%‘,LI
|9
250
o
WA
=1
L\
osd
-2
)
543°
{7097
<
i
U3
|
|
From
47
(47)
>
32
>—
16
TR
-
2
-
2
>—6
3ot
16
|
ANNUNCIATOR
—2
2
€276
|
!
AS09
5V
s
f,]
1o
|
AS09
-
v
10
40
)——
20
|
FUNCTION
7
CIRCUIT
MODE
2
-2
us
10
16
y——8
)
a0p—4<
20
FUNCTION
/
CIRCUIT
MODE
2
\
Geo=
}
&
iNPIBIT
3
&
5P40
o
1
&
P401
N
|
N
5
.
B
i
From
48
(47)
1w
|
24—
12)
a
<
10°-2
L
1
2]
wo-2
use
'
32
!
%
5
_T125
'
S
>
B
+5V
L)
28
)—14
sp—4L
4|
10'
-2
8
>——
a|
10'=-2
WS
_l_.(
2
M-
|2
AIHT
2
TA9A
6cc1
L=
_‘
r2
R
]
o
BT
|
Te
98
.
8
4
1719
4
1
|
3
STV
7SIV
32)>—
16
12—
6|
10°-2
12
>——
6|
10t-2
Dswia
—H
14
14
2
L]
Ly
®
ABU4
7
8U4C
&
714
0RO
3
40y—20)
18—
10%
-2
3
3
16
s
|
10%-2
oowis
1<
3
3
L2
D
e
-
st
L
*
|
*
6
18
I
!
|
@
SER/PRL
Switch
||
——
e
———
]
?
i‘7
1R
F159
IR
|
13
1719
>34
17
-
13
1
Y26\
sep—-¢
17|
Frecuency
4
12
UT98
12
7987
i
-
__m—-+5v
.l
cats
>
25—
38
UNIT
CODE
4
€1
prvs
L
s
>—28
1tou?
25—
38|
UNIT
COOE
4
4
5.6k
D
i
3
2
9
Y
a0
ToR
&
Ll
8
»——130]
2094
40|
ANNUNCIATOR
=
4
o[PSt
1s
1
ows
2
Lo
3C95
2
1o
9%
vz
=
1
viz
37
P
a4
|
FUNCTION
7
CIRCUIT
MODE
4
1
v
6
18
)>—
9)
37—
48
|
FUNCTION
7
CIREUIT
MODE
=
4
TF81
F8IU
Max
38
o
FOIE
To
o7
48
w2
|
1]
s
IF8
34>
1t7)
|
—}C26
|
10°-
4
ue
i,
£
v
26|
10°-
4
i
7695
afi:
To
48
148)
s
s
769
,25)——!8:7
"
sp—28}
10'~-a
R
639”
PR
28|
10'-a
n
o
454
M
-
,L_?i‘fi—-l..)ze}-—aol
op—<30]
108
-4
=
5
>
£
30|
10t
4
4
A
80A4
0A49
A
s
s
e
3
37)>—44)
e
p—+<
9|
poLamiTY
18
)——
9|
POLARITY
'
'
.
FP44
ora
o
PP
STORE
|
-
i
3
02CH
2CHO
rest
!
—1
36
>——
18
or
-
2
13
s
>—ey
363t
18|
FREQUENCY
2
X
N
12
327
39|
UNIT
CODE
=
8
N
12
7
Y29
Teur
27—
30)
WNT
coot
~
8
cs
3030
11
G308
31
y—o
a1
|
anwunciator
-
8
1
e
>—m)
14—
41|
ANNUNCIATOR
8
1
2
uis
o
SSF8
1o
SFB2
ONE
SHOT
MULTY
39
—r
as
|
FuncTion
7
c1RCUIT
MODE
v
o
>
399—<
45|
FUNCTION
/
CIRCUIT
MOOE
8
¢
OHOS
o
28H5
©
ca
2815
ot
se)—w\l
3
p—+<27|
10°-8
i
ovrs
3
27|
10°~8
Al
MOTHER
BOARD
STORE
2
o
3
27
Y—139
{10
g0
7420
10'—8
pyw
7
29}
10'—-8
==
HF93
=)
31
a1
|
"
31]
10°-8
I
3|
102~
8
x‘lu
Ll
3
9146
o
146A
R
Z2n
AS09
>
39
)45}
5
a-sv—l—('
R
I.*'
].
l
l
4—~1
+5V
|
IR
e
|
3
c4
:C
7
Yol
.
.
{
|
%
%5
“g
%C‘
camco:0.0M
To
UBA
(1)
—D
&1
>—
a6
EXE
STORE
2
$—
TousB(3)
——>
41
>——
ag|
EXE
X
5!_(;4:
To
UBC
(8)
=P
&3
>———
a7|
TEBIT
TousD
(9]
—)
43
>——
a7
INRIBIT
[}
-J
37
From
V2(5)
——P
45
ae
|
FLaG
From
U2(5)
—H
45
>——
L,
48|
Fa6
]
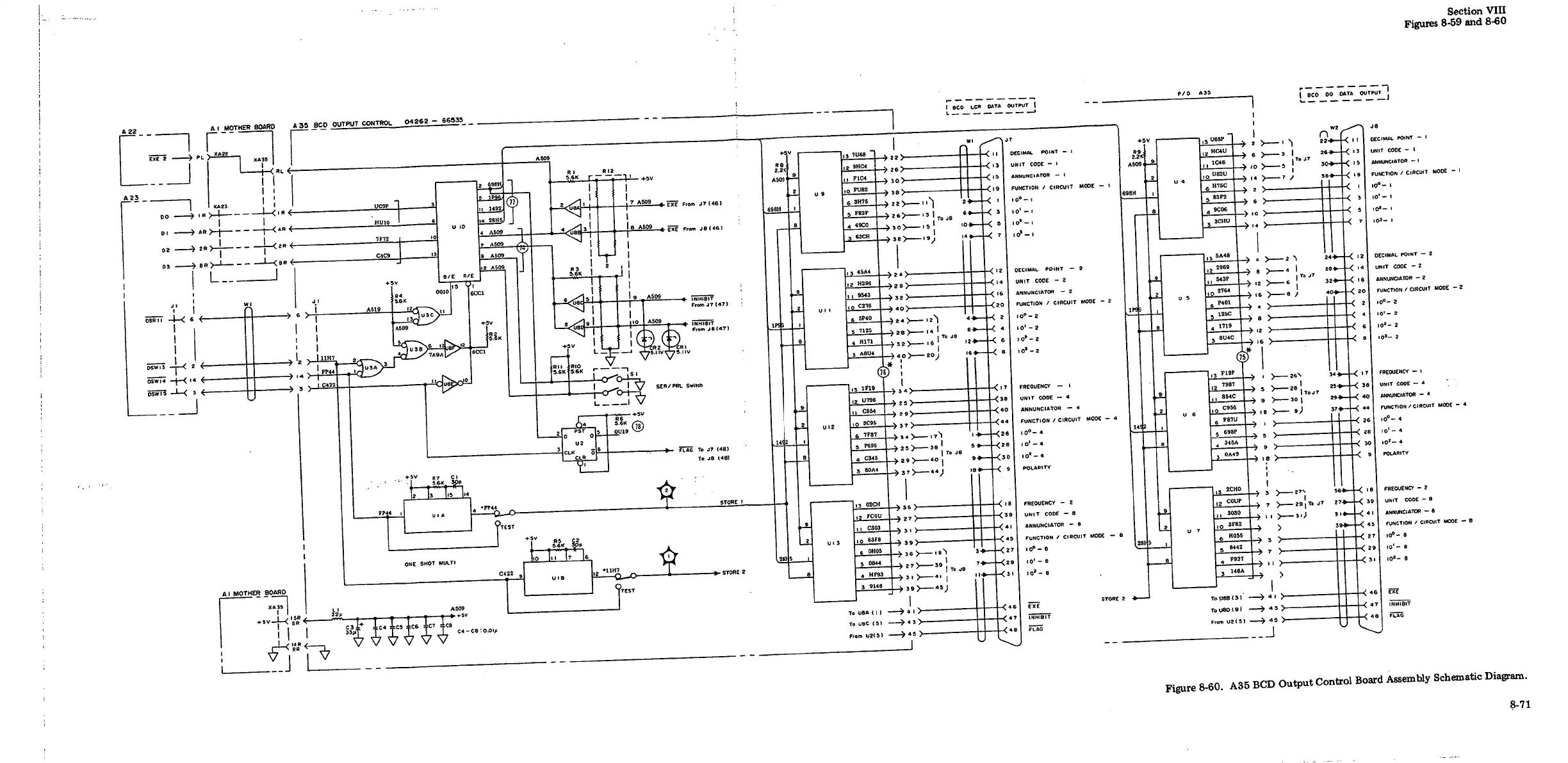
Figure
8-60.
A35
BCD
Output
Control
Board
Assembly
Schematic
Diagram.
8-71

Table of Contents

Related product manuals