EasyManua.ls Logo

HTP SSC-119 - Page 15

Default Icon
20 pages
Print Icon
To Next Page IconTo Next Page
To Next Page IconTo Next Page
To Previous Page IconTo Previous Page
To Previous Page IconTo Previous Page
Loading...
15
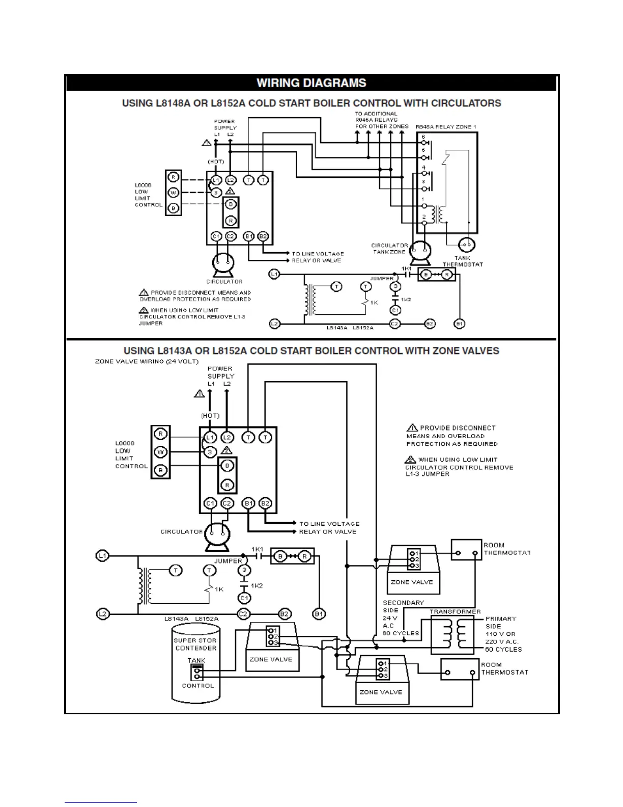
Figure 7

Other manuals for HTP SSC-119

Related product manuals