EasyManua.ls Logo

Huawei AP8030DN - Page 108

Huawei AP8030DN
126 pages
Print Icon
To Next Page IconTo Next Page
To Next Page IconTo Next Page
To Previous Page IconTo Previous Page
To Previous Page IconTo Previous Page
Loading...
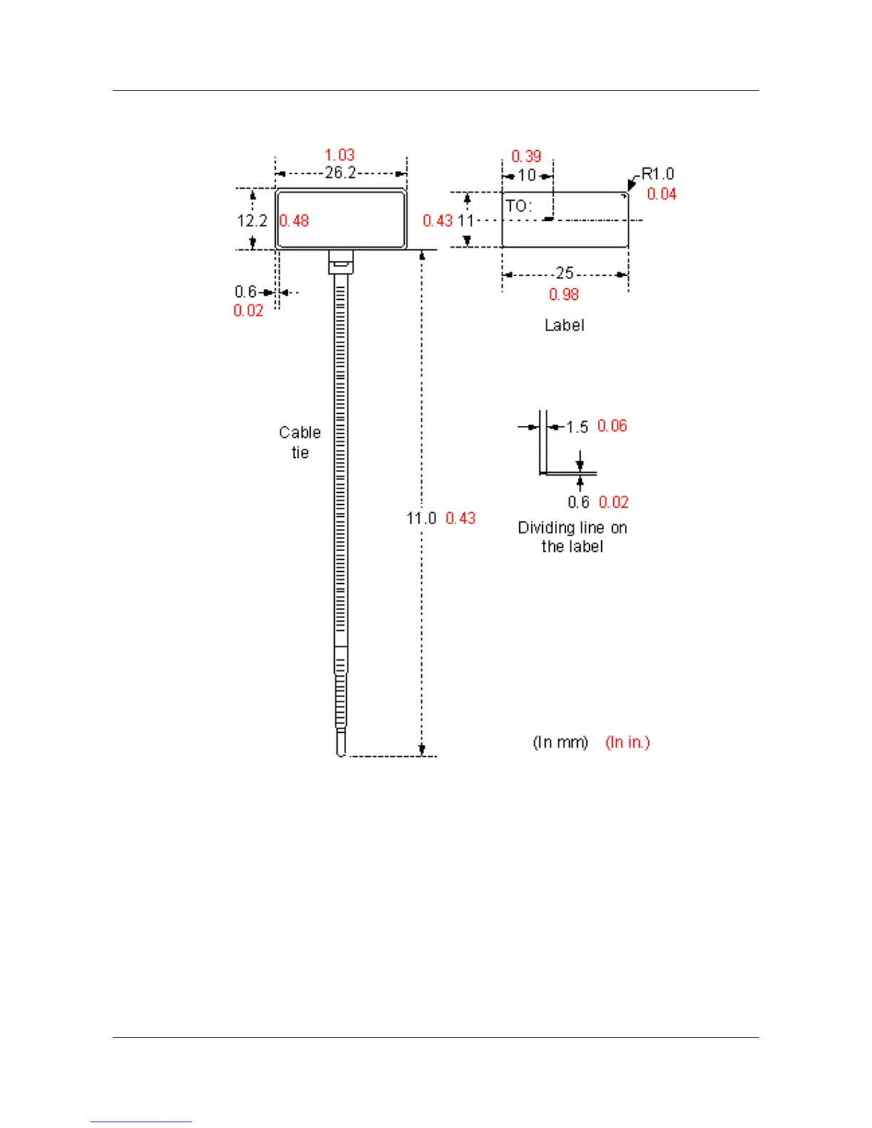
Figure 5-82 Power cable label
Label Printing
The contents can be printed or written on the labels. Printing is recommended for the sake of
high efficiency and eye-pleasant layout.
Template for Printing
Use a template to print labels. You can obtain the template from the Huawei local office.
The templates are made in Microsoft Word and the following requirements should be met:
Huawei AP8030DN & AP8130DN
Hardware Installation and Maintenance Guide
5 Appendix
Issue 02 (2014-12-05) Huawei Proprietary and Confidential
Copyright © Huawei Technologies Co., Ltd.
102

Other manuals for Huawei AP8030DN

Related product manuals