EasyManua.ls Logo

Huawei SUN2000-3.8KTL-USL0 - Preparing Cables

Huawei SUN2000-3.8KTL-USL0
170 pages
To Next Page IconTo Next Page
To Next Page IconTo Next Page
To Previous Page IconTo Previous Page
To Previous Page IconTo Previous Page
Loading...
SUN2000-(3.8KTL-11.4KTL)-USL0
User Manual
5 Electrical Connections
Huawei Proprietary and Confidential
Copyright © Huawei Technologies Co., Ltd.
35
5.1 Preparing Cables
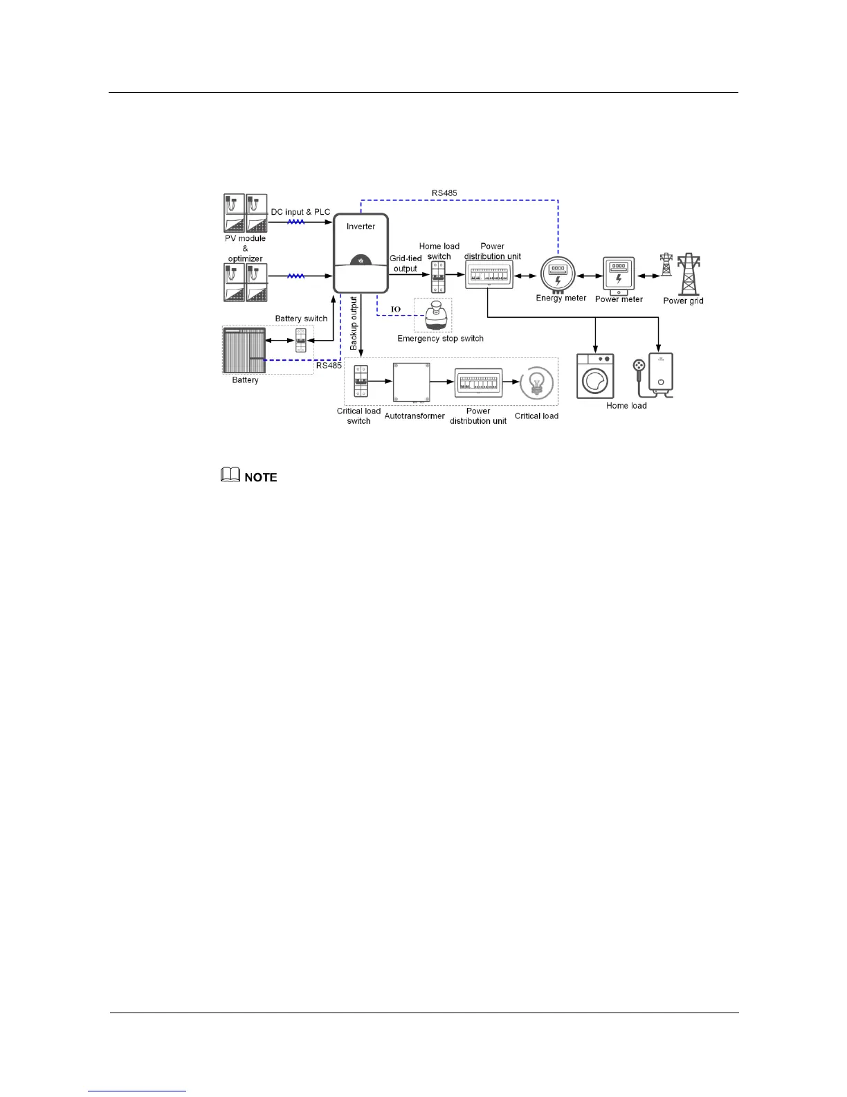
Figure 5-1 Networking application (dashed boxes indicate optional components)
SUN2000-3.8KTL/5KTL/7.6KTL-USL0 supports two PV string inputs.
SUN2000-9KTL/10KTL/11.4KTL-USL0 supports three PV string inputs. In the example, two PV string
inputs are used.

Table of Contents

Other manuals for Huawei SUN2000-3.8KTL-USL0

Related product manuals