EasyManua.ls Logo

Huawei SUN2000-5KTL-M1 - Page 76

Huawei SUN2000-5KTL-M1
142 pages
To Next Page IconTo Next Page
To Next Page IconTo Next Page
To Previous Page IconTo Previous Page
To Previous Page IconTo Previous Page
Loading...
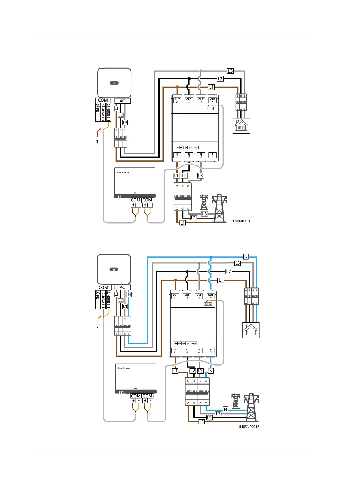
Figure 5-28 Three-phase, three-wire direct connection (SmartLogger
networking)
Figure 5-29 Three-phase, four-wire direct connection (SmartLogger
networking)
SUN2000-(3KTL-10KTL)-M1 Series
User Manual 5 Electrical Connections
Issue 17 (2024-01-12) Copyright © Huawei Technologies Co., Ltd. 66

Table of Contents

Other manuals for Huawei SUN2000-5KTL-M1

Related product manuals