EasyManua.ls Logo

Human Humalyzer 2000 - Page 52

Human Humalyzer 2000
60 pages
Print Icon
To Next Page IconTo Next Page
To Next Page IconTo Next Page
To Previous Page IconTo Previous Page
To Previous Page IconTo Previous Page
Loading...
B
Rev.
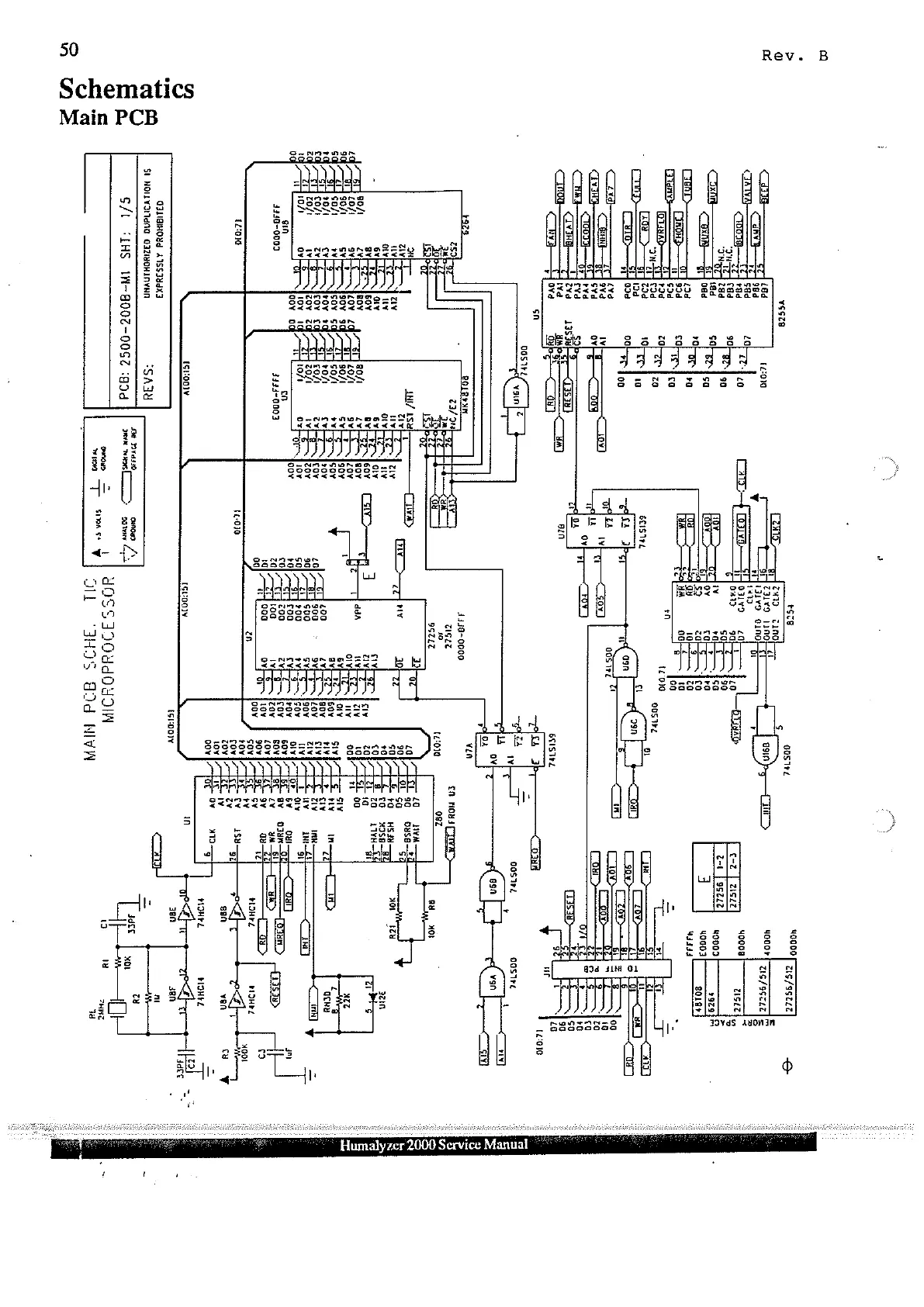
Schematics
Main
PCB
50
veste
tere
ç
es
10000
15796747
©
IIS
10010
г
т
fais
HAND
ŞE
1
8910
py
С
9000
[τις
εεττ]
E
1
Y
13439
cino
-
Fi
1479
ny
아구
о
cam
y
dava
ca}
|
na
40008
neo
so-
dan
sato
cea
|
21562
q
En
5
Sa
2-1
[95242]
40009
lâ
Tire
3
o
hi
s
seje
3
40003|——go19+
OD
τς
[νο
E
io
43344
oo,
il
SERV
ca
στ]
-
T
on
Te
005754
©
E
i
ゴー
Гия
El
1
2133
gp
|
ECO
a
1
EX
]
E
59y
©
II
cao
E
E
09
[
005
=
19
y
Com
28
20
wie]
©
[i
so
cana
CETTE
cem
piso
CEA
slsYz
SEL
ie
A
PCB
za
=
u
W
sos
,
cosa
,
DOS
IKE
T
T
1923
.
atağın
4439-0000
cn
nos
13/9
TE
0084
i
pz
de
|
use
p
8
spe
95262
3
a
we
GE
=
LES
EN
Hr"
아그
рые
rám
CHE
so
PEN
ibn
CRE
io
E
EN
ESE
Di
ar)
8041
dda
Uva
+
do
A
E
ov
HET
δν
τον
TS
~
|
PAT
MED
ery
104
-—
400
NS
ya
acne
TO
0/1
$00
vi
T
y
ай
CES
509
SE
ノン]
Venta
LCA]
Für.
+00
trigo
ノー
500
vi
|
m
gın
en
200
=
|
4440-0009
4444-0003
160
ty
A
>
A
m
ora
Aus
리가
>
in
YY
4001
A
FET
11019
ae
fy
Stay
ré}
T
dl
T
ーー
E
v
sen
ven
y
Y
AE
or
ини
K
tsbomy
90001
M
(51001
GILAMONI
AISSIUII
.
SI
NOLI
YOrIdNO
GIZIOHINYAN
“SATA
334
TIVA
0
σον”
SA
“LHS
1W-8002-0067
89d
|
|
ame
mel
we
sos
se
40553204049
wen
T-
V|
DI
C3H9S
BOM
NIVA