EasyManua.ls Logo

Hunter 50CC - Page 125

Hunter 50CC
200 pages
Print Icon
To Next Page IconTo Next Page
To Next Page IconTo Next Page
To Previous Page IconTo Previous Page
To Previous Page IconTo Previous Page
Loading...
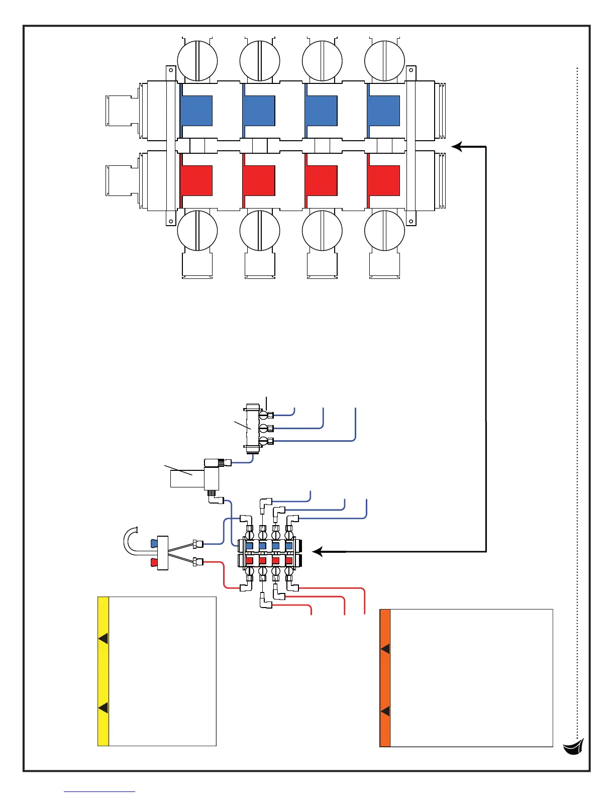
9.1
1
GALLEY
MASTER
HEAD
MASTER
HEAD
WATER
HEATER
WATER
HEATER
GUEST
HEAD
GUEST
HEAD
GALLEY
TO WATER
HEATERS
TO MAST
HEAD ROOM
TO GUEST
HEAD ROOM
TO MAST HEAD ROOM
TO GUEST HEAD ROOM
FROM WATER
HEATER
GALLEY
FAUCET
WATER
PUMP
WATER STRAINER
FROM CENTER TANK
FROM STBD AFT TANK
FROM STBD FWD TANK
SHUT OFF
VALVE
TANK MANIFOLD
MASTER MASTER
WATER WATER
GUEST GUEST
GALLEY GALLEY
HEAD HEAD
HEATER HEATER
HEAD HEAD
50cc GALLEY WATER WATER MANIFOLD ARRANGEMEN
T
Allowing your boat to stay connected to
dockside water supply while unattended,
could result in a sunken boat.
A major leak or break in the system
could flood the bilges, excess water in
the bilges could, flood the batteries and
result in your boat sinking.
Before connecting to a dockside water
source,make certain the water is suitable for
drinking. Water that may be of
questionable quality could
result in serious illness or death.
Hydrogen gas may form in a water heater if
not used. You should always open the
valves!
Do not smoke or use electrical appliances
for several minutes before use.
WARNING
! !
Make sure that the water heater
is full before energizing, bleed off
any air by opening the hot water
valve, close only when
there is a steady flow of water,
this will bleed the hot
water system of air. Failure to
follow these instructions could
result in damage to the
heating elements in your water
heater.
CAUTION
! !

Table of Contents

Related product manuals