EasyManua.ls Logo

Hydac ETS 3000 Series - Dimensions

Hydac ETS 3000 Series
Print Icon
To Next Page IconTo Next Page
To Next Page IconTo Next Page
To Previous Page IconTo Previous Page
To Previous Page IconTo Previous Page
Loading...
ETS 3000 IO-Link 31
Stand: 28.04.2020 HYDAC ELECTRONIC GMBH Mat. Nr.: 669904 D
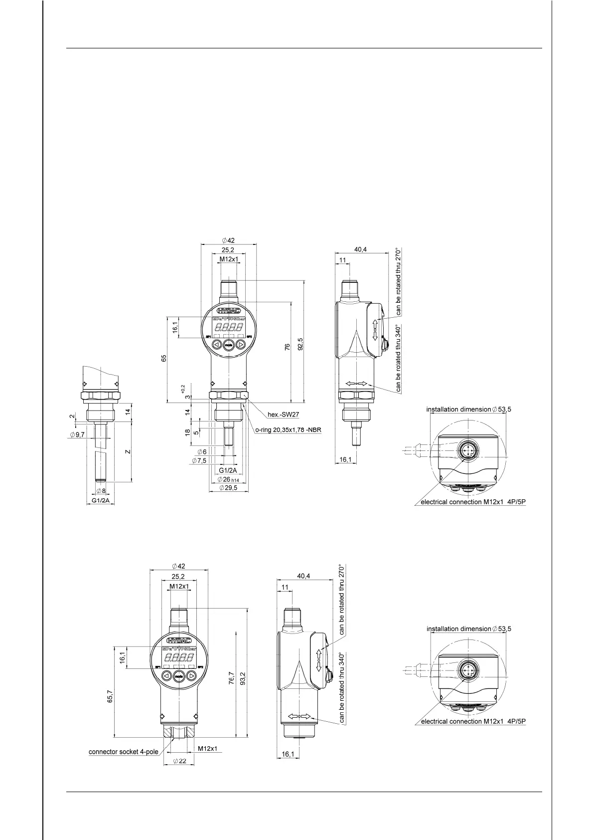
20 Dimensions
20.1 ETS 3200 with integral sensor probe
Probe length (dim. Z)
100
250
350
20.2 ETS 3800 for external sensor probe

Table of Contents