EasyManua.ls Logo

Hydro-Pro Hydro-Pro+Premium 7 - Page 198

Hydro-Pro Hydro-Pro+Premium 7
202 pages
Print Icon
To Next Page IconTo Next Page
To Next Page IconTo Next Page
To Previous Page IconTo Previous Page
To Previous Page IconTo Previous Page
Loading...
6 ZAŁĄCZNIK
36
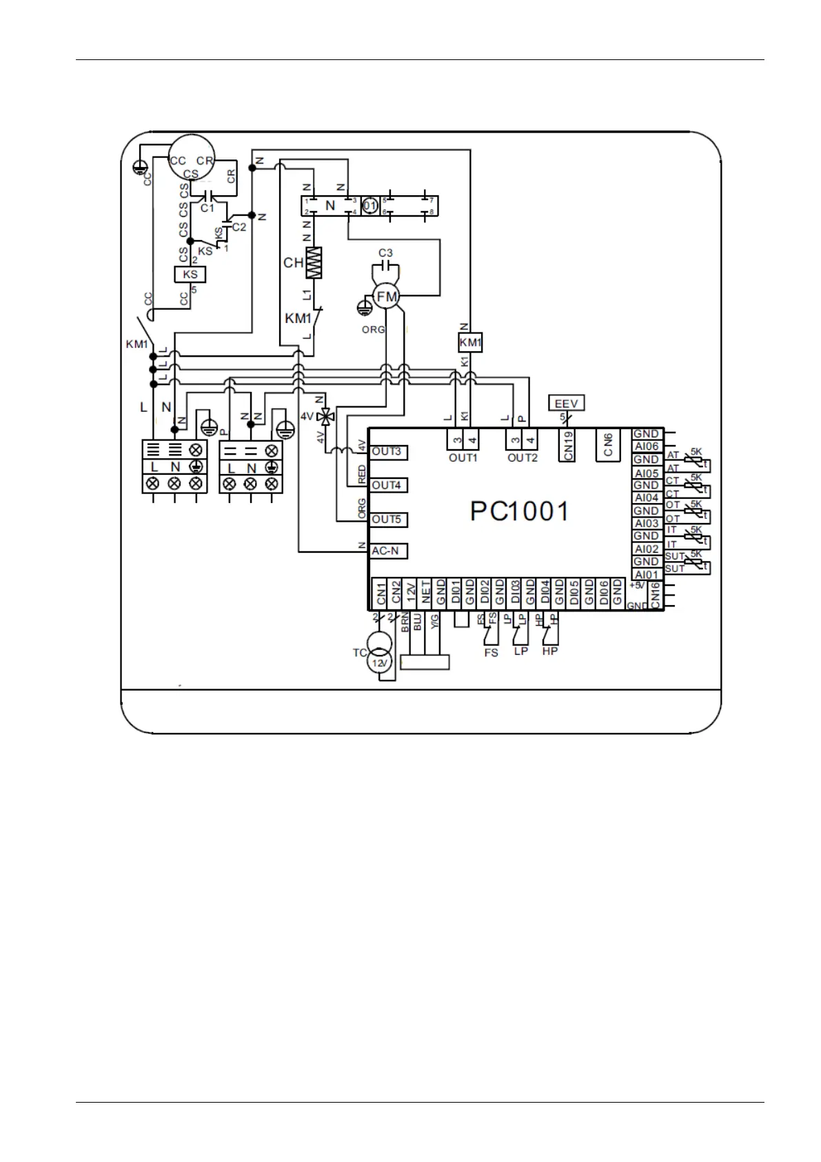
6.9. Załącznik 9
Schemat obwodu Hydro-Pro+Premium 19
AT:
Temperatura zewnętrzna
CH:
Podgrzewacz sprężarki
COMP:
Sprężarka
CT:
Temperatura cewki
EEV:
Elektroniczny zawór
rozprężny
FM:
Silnik wentylatora
FS:
Przełącznik przepływowy
HP:
Zabezpieczenie
wysokociśnieniowe
IT:
Temperatura wody wlotowej
KM1:
Stycznik sprężarki
LP:
Zabezpieczenie
niskociśnieniowe
OT:
Temperatura wody wylotowej
SUT:
Temperatura ssania
TC:
Transformator
4V:
Zawór czterodrożny
DO POMPY
DO ZASILANIA
220240 V~/50 Hz
Sterownik
WHT
RED
BLK
BLU
Hydro-Pro + Premium 19
COMP
RED
BLK
WHT
BLU
RED

Table of Contents

Related product manuals