EasyManua.ls Logo

Hydro-Pro Hydro-Pro+Premium 7 - 3 Installatie en Aansluiting; Afbeelding Installatie

Hydro-Pro Hydro-Pro+Premium 7
202 pages
Print Icon
To Next Page IconTo Next Page
To Next Page IconTo Next Page
To Previous Page IconTo Previous Page
To Previous Page IconTo Previous Page
Loading...
5
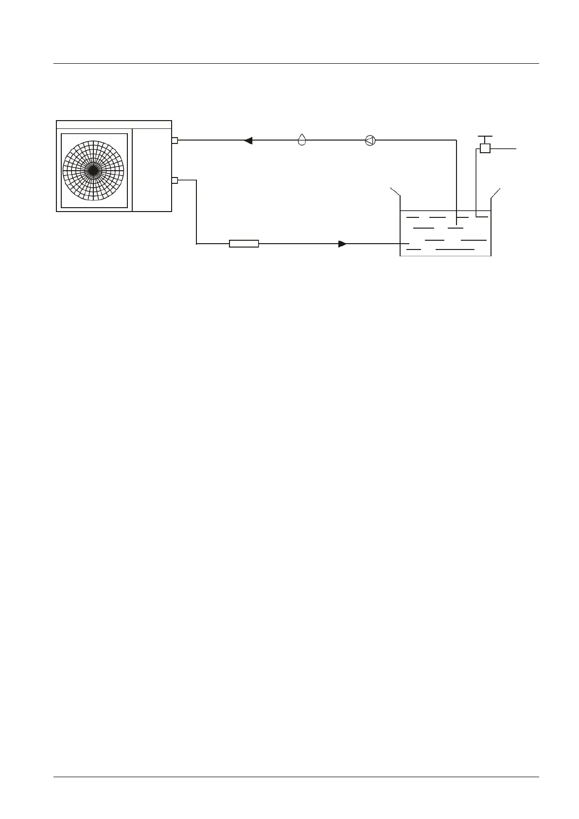
3. INSTALLATIE EN AANSLUITING
3.1. Afbeelding installatie
Installatieartikelen:
De fabriek levert uitsluitend de hoofdeenheid en de watereenheid; de overige
artikelen in de afbeelding zijn vereiste reserveonderdelen voor het watersysteem, die
moeten worden verschaft door de gebruiker of de installateur.
Let op:
Volg deze stappen wanneer u de eenheid voor het eerst gebruikt
1. Open klep en vul water.
2. Zorg ervoor dat de pomp en de watertoevoerleiding zijn gevuld met water.
3. Sluit de klep en start de eenheid.
LET OP: De watertoevoerleiding moet zich boven het zwembadoppervlak bevinden.
Waterinlaat
Waterpomp
Klep
Watertoevoer
Wateruitlaat
Chlorinatorcel
Zwembad
Zandfilter
(of ander type filter)

Table of Contents

Related product manuals