EasyManua.ls Logo

Hydro-Pro Hydro-Pro+Premium 7 - INSTALLATION AND CONNECTION; 3.1. Installation illustration

Hydro-Pro Hydro-Pro+Premium 7
202 pages
Print Icon
To Next Page IconTo Next Page
To Next Page IconTo Next Page
To Previous Page IconTo Previous Page
To Previous Page IconTo Previous Page
Loading...
4
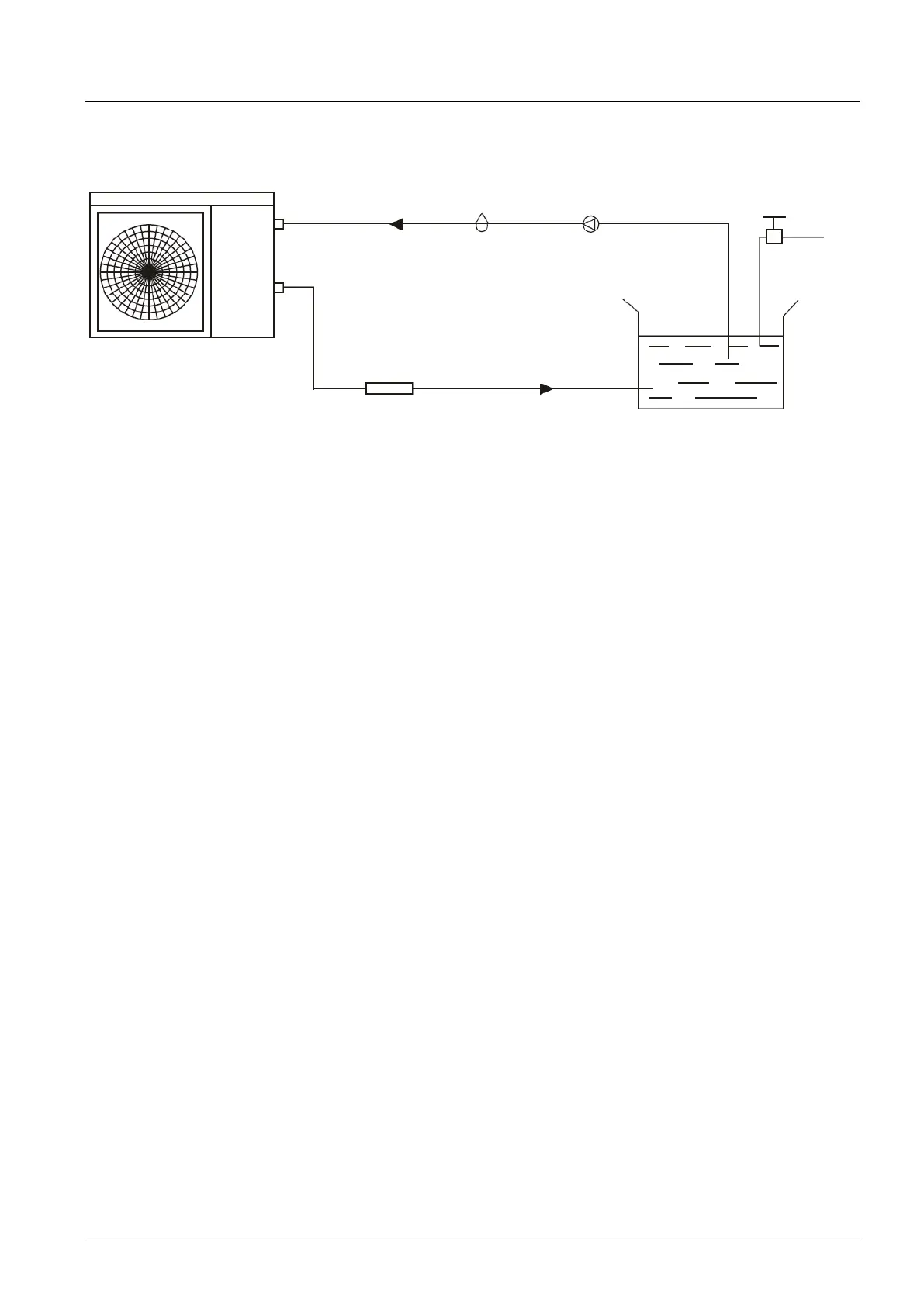
3. INSTALLATION AND CONNECTION
3.1. Installation illustration
Installation items:
The factory only provides the main unit and the water unit; the other items in the illustration
are necessary spare parts for the water system, that provided by users or the installer.
Attention:
Please follow these steps when using for the first time
1. Open valve and charge water.
2. Make sure that the pump and the water-in pipe have been filled with water.
3. Close the valve and start the unit.
ATTN: It is necessary that the water-in pipe is higher than the pool surface.
Water inlet
Water pump
Valve
Water supply
Water outlet
Chlorinator cell
Pool
Sand filter
(or other type filter)

Table of Contents

Related product manuals