EasyManua.ls Logo

Hydro-Pro Hydro-Pro+Premium 7 - Page 68

Hydro-Pro Hydro-Pro+Premium 7
202 pages
Print Icon
To Next Page IconTo Next Page
To Next Page IconTo Next Page
To Previous Page IconTo Previous Page
To Previous Page IconTo Previous Page
Loading...
6 ANHANG
36
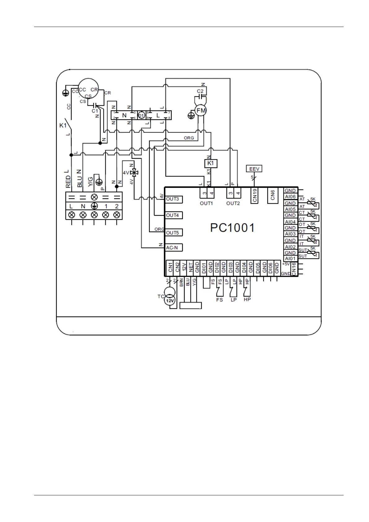
6.7. Anhang 7
Schaltplan Hydro-Pro+Premium 10
AT:
Umgebungstemperatur
COMP:
Verdichter
CT:
Spulentemperatur
EEV:
Elektronisches
Expansionsventil
FM:
Lüftermotor
FS:
Durchflussschalter
HP:
Hochdruckschutz
IT:
Zulaufwassertemperatur
K1:
Verdichterrelais
LP:
Niederdruckschutz
OT:
Ablaufwassertemperatur
SUT:
Ansaugtemperatur
TC:
Transformator
4V:
4-Wege-Ventil
Zur
Pumpe
ZUR STROMVER-
SORGUNG
220-240 V~/50 Hz
Steuergerät
WHT
RED
BLK
BLU
RED
Hydro-Pro+Premium 10
COMP
RED

Table of Contents

Related product manuals