EasyManua.ls Logo

Hydro-Pro Hydro-Pro+Premium 7 - Page 70

Hydro-Pro Hydro-Pro+Premium 7
202 pages
Print Icon
To Next Page IconTo Next Page
To Next Page IconTo Next Page
To Previous Page IconTo Previous Page
To Previous Page IconTo Previous Page
Loading...
6 ANHANG
38
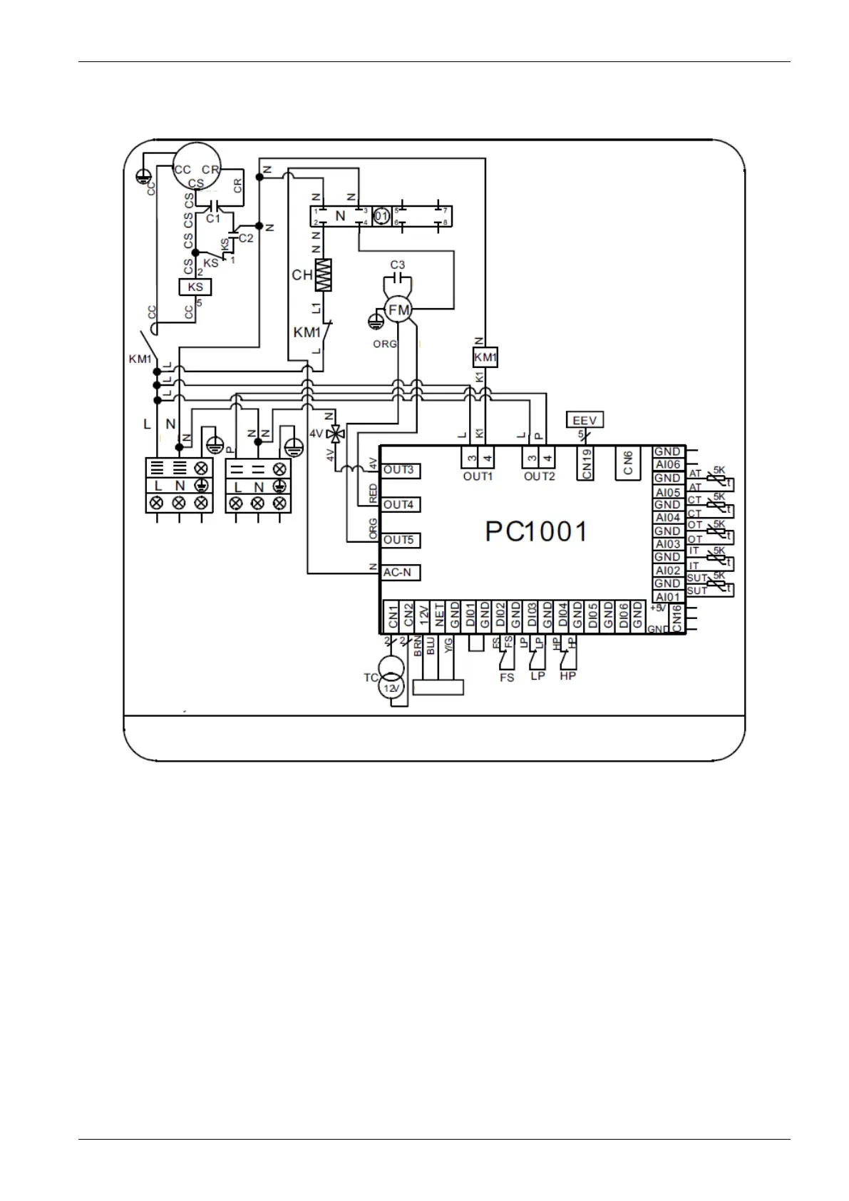
6.9. Anhang 9
Schaltplan Hydro-Pro+Premium 19
AT:
Umgebungstemperatur
CH:
Verdichterheizung
COMP:
Verdichter
CT:
Spulentemperatur
EEV:
Elektronisches
Expansionsventil
FM:
Lüftermotor
FS:
Durchflussschalter
HP:
Hochdruckschutz
IT:
Zulaufwassertemperatur
KM1:
Verdichterschütz
LP:
Niederdruckschutz
OT:
Ablaufwassertemperatur
SUT:
Ansaugtemperatur
TC:
Transformator
4V:
4-Wege-Ventil
ZUR
PUMPE
ZUR STROMVERSOR-
GUNG
220-240 V~/50 Hz
Steuergerät
WHT
RED
BLK
BLU
Hydro-Pro+Premium 19
COMP
RED
BLK
WHT
BLU
RED

Table of Contents

Related product manuals