EasyManua.ls Logo

Hydro atos E-BM-AC-05F - Page 13

Default Icon
42 pages
Print Icon
To Next Page IconTo Next Page
To Next Page IconTo Next Page
To Previous Page IconTo Previous Page
To Previous Page IconTo Previous Page
Loading...
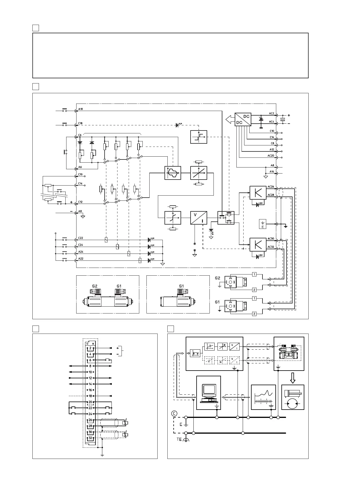
13 WIRING BLOCK DIAGRAM
01/12
14 GENERAL CONNECTIONS
REF. 1 REF. 2 REF. 3 REF. 4
P1 P2 P3 P4
LED 1
LED 2
LED 3
LED 4
LED
+5 V
DC 50 mA
-5 V
DC 20 mA
+15 V
DC 50 mA
-15 V
DC 20 mA
+24 V
DC FILTERED
GND
GND
POWER SUPPLY
24 VDC ± 10%
4700 µF / 40V
POWER GND
L6
L5
S1 ENABLED LED
S2 ENABLED LED
REF. 1
REF. 2
REF. 3
REF. 4
+5 V
DC
50 mA
-5 V
DC
20 mA
CARD
ENABLING
ON = 24 V
OFF = 0 V
REFERENCE
INVERSION
ON = 24 V
OFF = 0 V
RAMP
SWITCH OFF
GROUP OF
EXTERNAL
POTENTIOMETERS
EXTERNAL REFERENCE SIGNAL
SIGNAL GND
INTERNAL POTENTIOMETERS
4 REFERENCES AND 4 RAMPS
12
3
4
P11 P12 P13 P14
RAMPS
RAMP GENERATOR
DEAD BAND S1
P5
P6
DEAD BAND S2
OUT (V = I)
TEST POINTS
GND
CARD
DISABLED
LED
CURRENT FEEDBACK
L7
SCALE S1
P15
P16
SCALE S2
CHANNEL SETTING
DOUBLE SOLENOID VALVE
SINGLE SOLENOID VALVE
P7 P17
UP DOWN
SHIELD
INTERNAL
SUPPLY
TRANZORB
*
: only for E-ME-AC-05F
GND
-15 V
DC 20 mA
GND
ENABLE (+24 V
DC)
*
REF. 4
REF. 3
COIL S1
COIL S2
REF. 1
REF. 2
REFERENCE
INVERSION (+24 V
DC)
-5 V
DC 20 mA
EXT. REFERENCE IN
+15 V
DC 50 mA
+5 VDC 50 mA
RAMP SW OFF
24 V
DC
*
15 EARTH CONNECTIONS
CONTROL UNIT
E-ME-AC-0*F
PROPORTIONAL VALVE
COIL S1
COIL S2
TRANSDUCER ACTUATORS
RAMPS
DEAD
BAND
SCALE
DEAD
BAND
SCALE
CURRENT
AMPLIF.
E: PROTECTIVE EARTH TE: NOISELESS EARTH
C : ALTERNATIVE BONDING TO NOISELESS EARTH TERMINAL
CURRENT
AMPLIF.
ELETTROMAGNETIC COMPATIBILITY
Atos electronic drivers and proportional valves are designed according to the 2004/108/CE Directive (Electromagnetic Compatibility) and according
to EN 50081-2 (Emission) and EN 50082-2 (Immunity) standards. The electromagnetic compatibility of electronic drivers is valid only for wirings
realized according to the typical electric connections shown in this technical table.
The device must be verified on the machine because the magnetic field may be different from the test conditions.
SAFETY
The electrical signals (for example reference signals, feedback and enable signal) of electronic drivers must not be used to realize safety condi-
tions of the machine. This is in accordance with the provisions of european directives (Safety requirements of fluid technology systems and com-
ponents-hydraulics, EN 982). Special attention must be payed to switch-on/switch-off of electronic drivers because they could produce uncontrol-
led movements of actuators operated by the proportional valves.
12 IMPORTANT INSTRUCTIONS
CONNECTORS TYPE SP-666
(see K500 table)
NOTE: S1 and S2 solenoids are referred respectively to B port side and A port side.
DRIVING CURRENT
DRIVING CURRENT

Table of Contents

Related product manuals