EasyManua.ls Logo

Hydro atos E-BM-AC-05F - Page 25

Default Icon
42 pages
Print Icon
To Next Page IconTo Next Page
To Next Page IconTo Next Page
To Previous Page IconTo Previous Page
To Previous Page IconTo Previous Page
Loading...
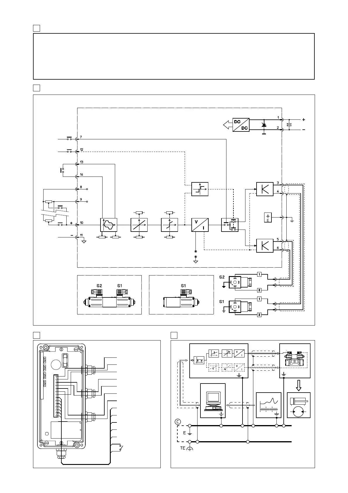
11 WIRING BLOCK DIAGRAM
CARD
ENABLING
ON = 24 V
OFF = 0 V
REFERENCE
INVERSION
ON = 24 V
OFF = 0 V
RAMP
SWITCH OFF
GROUP OF
EXTERNAL
POTENTIOMETERS
EXTERNAL
REFERENCE SIGNAL
SIGNAL GND
CHANNEL
ENABLE
SHIELD
INTERNAL
POWER SUPPLY
+5V
DC
50mA
-5V
DC
10mA
TRANZORB
POWER GND
CURRENT FEEDBACK
P1
RAMP UP
P2
RAMP DOWN
SCALE S1
P3
DEAD BAND S1
P4
P5
SCALE S2
P6
DEAD BAND S2
OUT (V=I)
TEST POINTS
GND
POWER SUPPLY
24V
DC ±10%
4700µF / 40V
07/09
12 GENERAL CONNECTIONS
DOUBLE SOLENOID VALVE SINGLE SOLENOID VALVE
ELETTROMAGNETIC COMPATIBILITY
Atos electronic drivers and proportional valves are designed according to the 2004/108/CE Directive (Electromagnetic Compatibility) and according
to EN 50081-2 (Emission) and EN 50082-2 (Immunity) standards. The electromagnetic compatibility of electronic drivers is valid only for wirings
realized according to the typical electric connections shown in this technical table.
The device must be verified on the machine because the magnetic field may be different from the test conditions.
SAFETY
The electrical signals (for example reference signals, feedback and enable signal) of electronic drivers must not be used to realize safety condi-
tions of the machine. This is in accordance with the provisions of european directives (Safety requirements of fluid technology systems and com-
ponents-hydraulics, EN 982). Special attention must be payed to switch-on/switch-off of electronic drivers because they could produce uncontrol-
led movements of actuators operated by the proportional valves.
10 IMPORTANT INSTRUCTIONS
NOTE:
FOR MAXIMUM EMC PROTECTION, IS
SAFE TO USE SCREENING CABLES
1
2
3
4
5
6
7
8
9
10
11
12
13
14
1
2
7
3
4
5
6
8
9
10
11
12
13
14
+24V
DC
SUPPLY
REGULATOR ENABLE
COIL S1
COIL S1
COIL S2
COIL S2
+5V
DC
-5VDC
SIGNAL IN (+)
SIGNAL GND (-)
REFER. INVERSION
RAMP
EXCLUSION
13 EARTH CONNECTIONS
CONTROL UNIT
E-RP-AC-0*F
PROPORTIONAL VALVE
COIL S1
COIL S2
TRANSDUCER ACTUATORS
RAMPS
DEAD
BAND
SCALE
DEAD
BAND
SCALE
CURRENT
AMPLIF.
E: PROTECTIVE EARTH TE: NOISELESS EARTH
: ALTERNATIVE BONDING TO NOISELESS EARTH TERMINAL
CURRENT
AMPLIF.
CONNECTORS TYPE SP-666 (see K500 table)
NOTE: S1 and S2 solenoids are referred respectively to B port side and A port side.
DRIVING CURRENT
DRIVING
CURRENT

Table of Contents

Related product manuals