EasyManua.ls Logo

Icom IC-7300 - MIC AMP and AD Converter; Modulation and DA Converter

Icom IC-7300
75 pages
To Next Page IconTo Next Page
To Next Page IconTo Next Page
To Previous Page IconTo Previous Page
To Previous Page IconTo Previous Page
Loading...
3-6
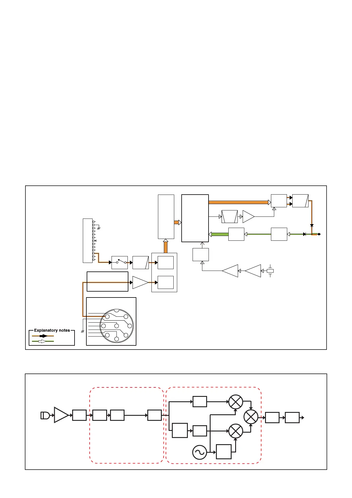
(2) TRANSMIT SIGNAL PROCESSING
• MIC AMP and A/D converter
The audio signal from the [MIC] connector on the front panel
is amplifi ed by the MIC amplifi er (IC1002), and then applied
to the A/D converter (IC1001) to be converted into a digital
signal. The audio signal from the [ACC] socket is applied to
the A/D converter (IC1001), through the mute SW (IC1003)
and LPF (IC1002), and is also converted into a digital sig-
nal. The converted digital signal is then applied to the DSP
(IC901) for audio processing.
• Modulation and D/A converter
The signal is digitally modulated in the DSP (IC901), result-
ing in the 36 kHz transmit IF signal, and then applied to the
FPGA (IC1351).
The audio signal from the microphone has been converted
into a digital data stream by the A/D converter. The converted
data is applied to the DSP (IC901), and digitally processed,
resulting in a modulated 36 kHz transmit IF signal.
• FPGA
The transmit IF signal is applied to the FPGA (IC1351). The
FPGA mathematically processes the signal to digitally obtain
the oscillation (TX LO) and mixing (Image rejection mixer), as
if the signal is processed in a hardware up conversion circuit.
The processed signal is applied to the D/A converter to be
converted in to an analog RF transmit signal.
• RF signal processing
The transmit signal, that is processed and up-converted in
the FPGA (IC1351), is applied to the D/A converter (IC1331)
to be converted into an analog transmit signal. The transmit
signal is passed through the LPF (L1281, L1282, C1281,
C1283 and C1285), which attenuates unwanted frequency
components in the transmit signal, and is then applied to the
RF UNIT.
• FPGA BLOCK DIAGRAM (Transmit circuits)
AMOD
A/D
MIC
AMP
LPF
MICI
A/D
IC1001
IC1003
IC1002
IC1002
D/A
IC1331
L1281,L1282
C1281,C1283,C1285
PIN
D1251
D1232
ATT
A/D
AMP BUFF
RF
J1302
1
2
3
4
5
6
7
8
9
10
11
12
13
LPF
LVDS
DRIVE
IC1212
BPF
XTAL
AMP
IC1221
MAIN UNIT
FPGA
IC1351
41.344 MHz
(41.344 MHz)
Q1202
Q1201
DACLK
X1201
IC1211
5.BAND
10.FSKK
3.HSEND
13.SQLS
4.START
7.NC
11.MOD
1.8V
2.GND
9.KEY
6.ALC
[ACC]
12.AF
8.14V
124.032 MHz
/FPCAL/BCLK/FRM/MCLK
FPX_AGC/FPX_DET/FPR_MOD
J1
1
2
3
4
5
6
7
8
DISPLAY UNIT
GND
MIC U/D
MIC
+8V
SQL
PTT
MICE
MIC UNIT
AF OUT
IF-DSP
IC901
• MAIN UNIT (Transmit circuits)
A/D
D/A
90
Phase
shift
90
Phase
shift
LPF
BPF
MOD
LPF
MIC
AMP
LO (DDS)
36 kHz
36 kHz
Transmit IF
FPGA (IC1351)
DSP (IC901)
Mixer
Transmit
RFsignal
Mixer
LPF
BPF
MIC
Image
Rejection
Mixer
TX signal
RX signal

Other manuals for Icom IC-7300

Related product manuals